EasyManua.ls Logo

Samson TROVIS 5575 - Page 47

Samson TROVIS 5575
138 pages
Print Icon
To Next Page IconTo Next Page
To Next Page IconTo Next Page
To Previous Page IconTo Previous Page
To Previous Page IconTo Previous Page
Loading...
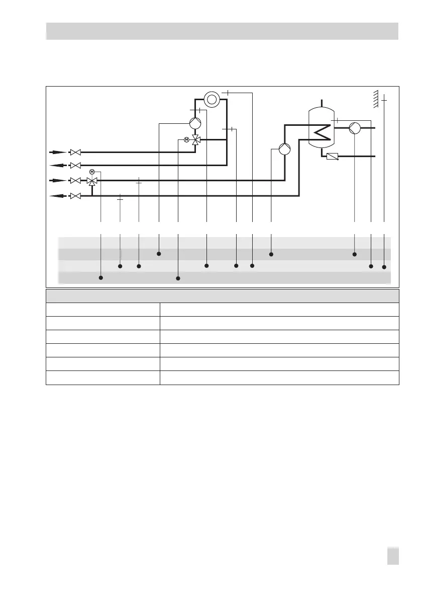
System Anl 11.1 (all versions of TROVIS 5575-00xx)
Default setting
CO1 -> F01 - 0 (without RF1)
CO1 -> F02 - 1 (with AF1)
CO1 -> F03 - 1 (with RüF1)
CO4 -> F01 - 1 (with SF1)
CO4 -> F02 - 0 (without SF2)
CO4 -> F03 - 0 (without RüF2)
EB 5575 EN 47
Systems
BE
BA
AE
RK
WW
KW
UP1 RK1 VF1 RüF1 RF1 AF1 ZP SLPRüF2 VF2 SF1RK2

Table of Contents

Related product manuals