EasyManua.ls Logo

Samson TROVIS 5575 - DHW Heating in Instantaneous Heating System

Samson TROVIS 5575
138 pages
Print Icon
To Next Page IconTo Next Page
To Next Page IconTo Next Page
To Previous Page IconTo Previous Page
To Previous Page IconTo Previous Page
Loading...
Parameters
WE Parameter level / Range of values
Hysteresis** 5 °C PA4 / 0 to 30 °C
Charging temperature boost*** 10 °C PA4 / 0 to 50 °C
Max. charging temperature 80 °C PA4 / 20 to 130 °C (only with VF4)
Lag of storage tank charging pump 0.5 PA4 / 0 to 10.0
Sustained DHW temperature 40 °C PA4 / 20 to 90 °C
* Parameters serve as limitation of the adjustment range for the DHW temperature to be set
at the rotary switch
** Deactivation value T =
DHW temperature
+
hysteresis
*** Charging temperature T =
DHW temperature
+
charging temperature boost
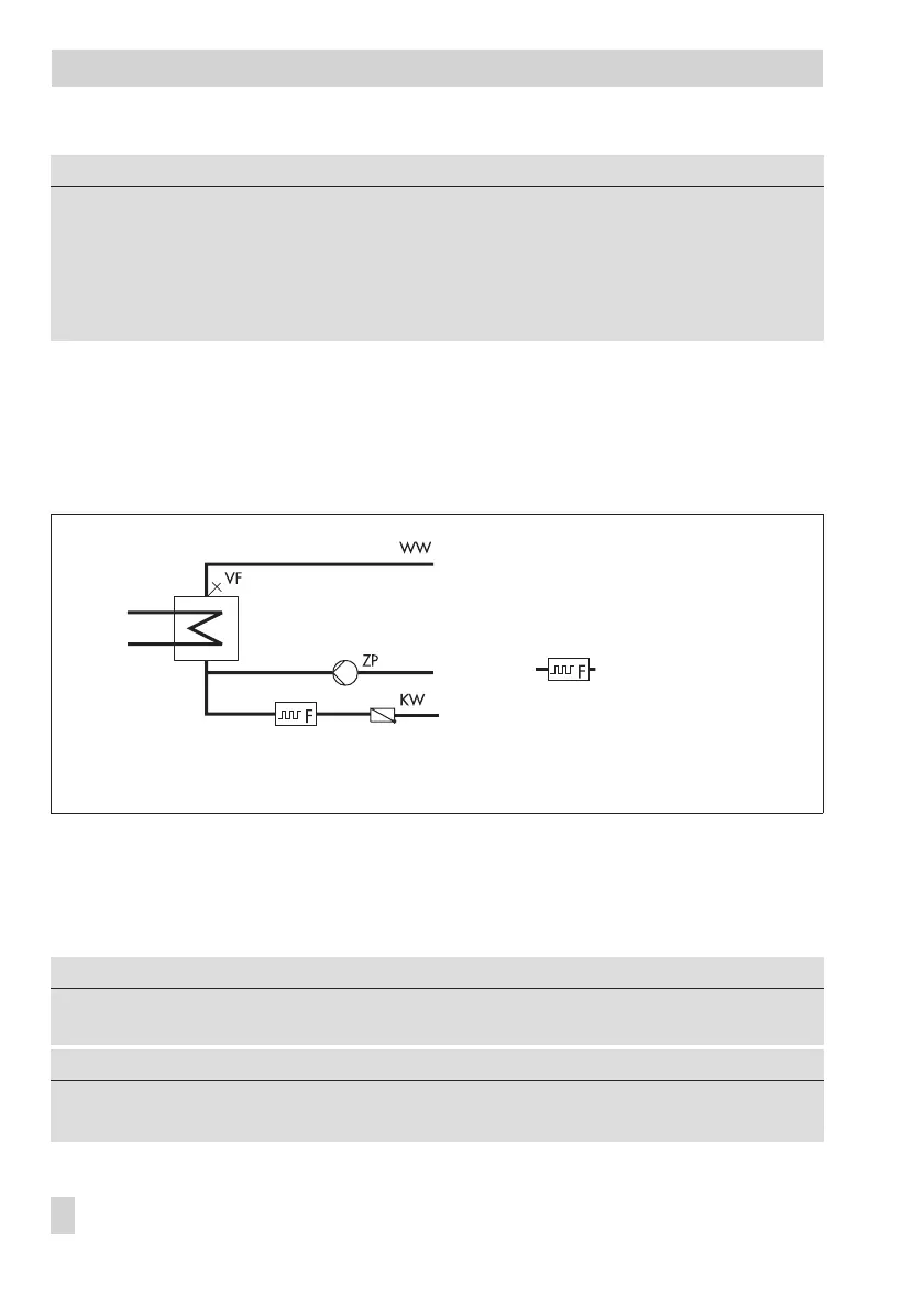
6.3 DHW heating in instantaneous heating system
Without a flowmeter or flow switch, the required
DHW temperature
at sensor VF is only reg
-
ulated during the times-of-use of the circulation pump ZP. The flowmeter or flow switch allow
the controller to recognize exactly when DHW is being tapped. By deleting all the
time-of-uses for the circulation pump, it is possible to regulate the required DHW tempera
-
ture just while the DHW is being tapping.
Functions WE Configuration
Water flowmeter 0
AnA
CO4 -> F04 - 1
AnA (water flowmeter), bin (flow switch)
Parameters WE Rotary switch / Range of values
DHW temperature set point 55 °C Bottom /Min. to max. DHW temperature
Sustained DHW temperature 40 °C Bottom /Min. to max. DHW temperature
68 EB 5575 EN
System-wide functions
Fig. 11 · Schematics of an instantaneous heating system with water flowmeter
(CO4 -> F04 - 1, select: AnA)
VF Flow sensor
ZP Circulation pump
WW Hot water
KW Cold water
Water flowmeter

Table of Contents

Related product manuals