EasyManua.ls Logo

Sanremo D8 - Page 28

Sanremo D8
120 pages
Print Icon
To Next Page IconTo Next Page
To Next Page IconTo Next Page
To Previous Page IconTo Previous Page
To Previous Page IconTo Previous Page
Loading...
D8
Installation
28
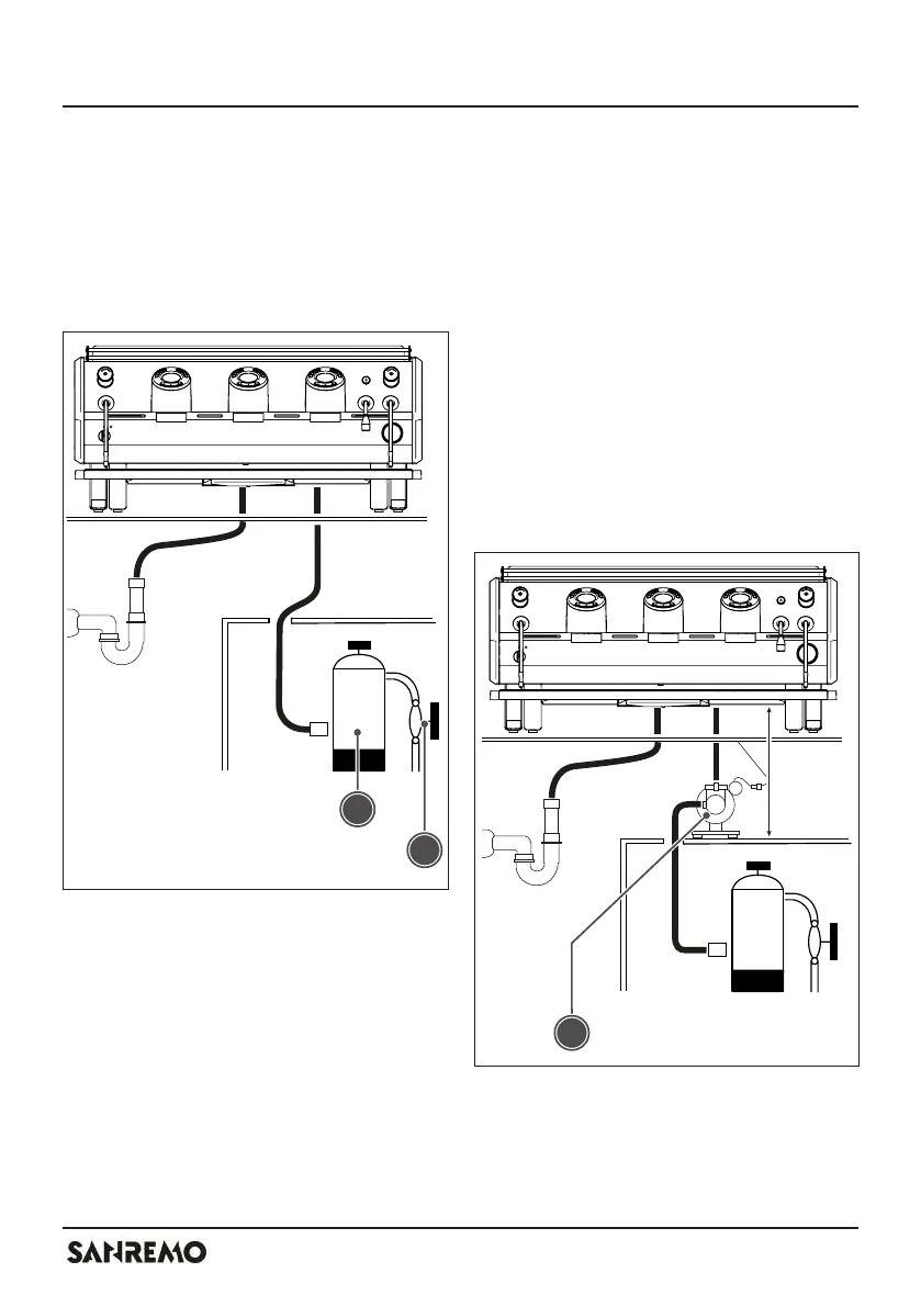
5.5.1.2 Filling with on-board pump
If the installation of a water treatment sy-
stem (1) is necessary to obtain the requi-
red water quality, position the machine
downstream of this system and follow the
instructions of the system’s manufacturer
for putting it into service.
1
2
It is recommended to place the system
downstream of the water system gate
valve (2).
For the connection on the mains side, a
hose with a 3/8” BSPP swivelling female
connection is supplied with the machine.
5.5.1.3 Filling with external pump
If the installation of a water treatment sy-
stem is necessary to obtain the required
water quality, position the machine and
the external pump downstream of this
system and follow the instructions of the
system’s manufacturer for putting it into
service.
The pump (1) is supplied with a base.
The maximum distance between the
pump (1) and the machine must not
exceed 100cm.
The pump (1) should be installed with
a space of at least 5cm along the sides
and above to ensure adequate cooling.
100 cm
1

Table of Contents

Related product manuals