EasyManua.ls Logo

Sequential Prophet VS - Page 48

Sequential Prophet VS
152 pages
Print Icon
To Next Page IconTo Next Page
To Next Page IconTo Next Page
To Previous Page IconTo Previous Page
To Previous Page IconTo Previous Page
Loading...
48
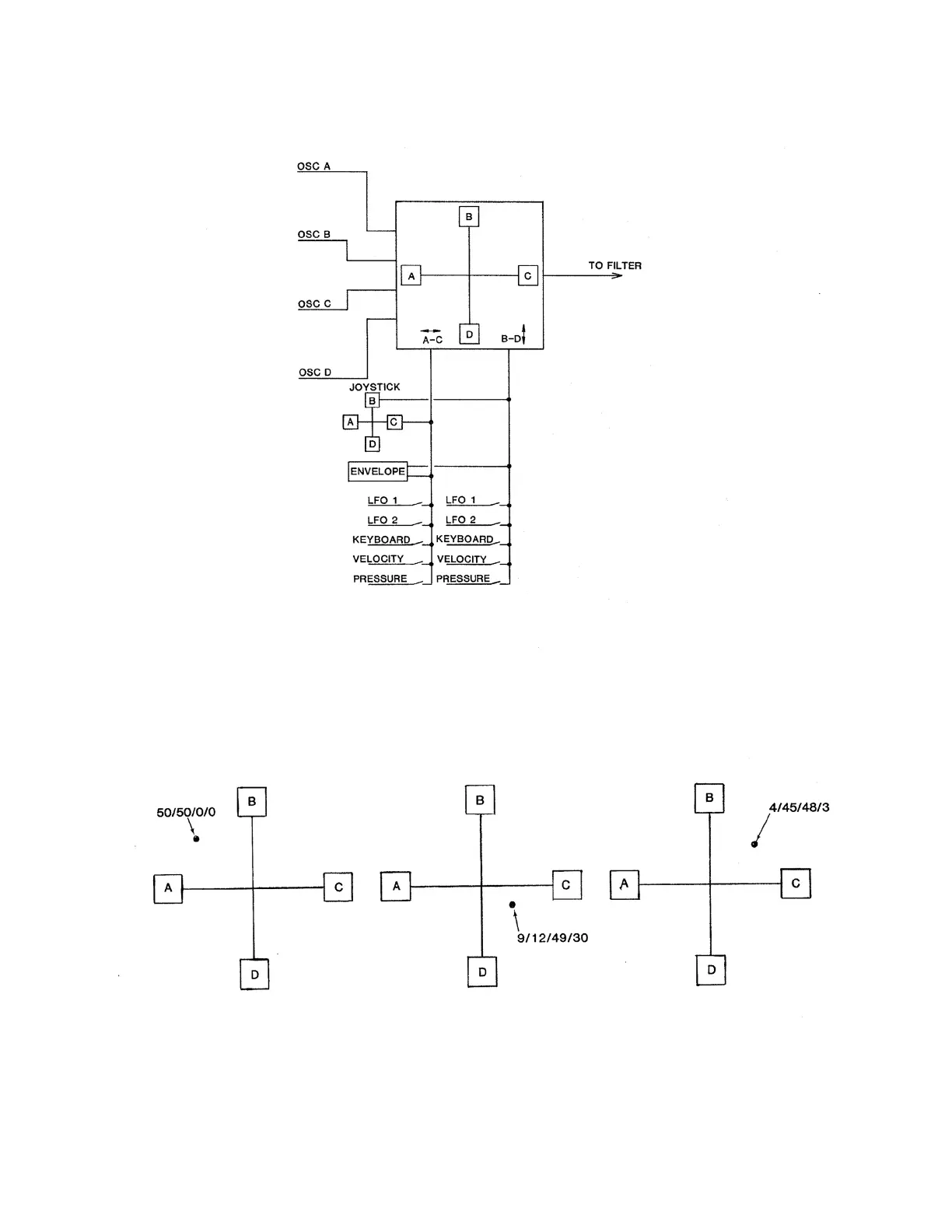
Figure 6-3
OSCILLATOR MIXER
Figure 6-4
TYPICAL MIX RATIOS
Typical mix ratios are shown in Figure 6-4.
HOME
BACK

Table of Contents

Other manuals for Sequential Prophet VS

Related product manuals