EasyManua.ls Logo

Siemens LME71 Series

Siemens LME71 Series
116 pages
To Next Page IconTo Next Page
To Next Page IconTo Next Page
To Previous Page IconTo Previous Page
To Previous Page IconTo Previous Page
Loading...
47/116
Smart Infrastructure Basic Documentation LME7... CC1P7105enr
7 Operation, indication, diagnostics 24.07.2020
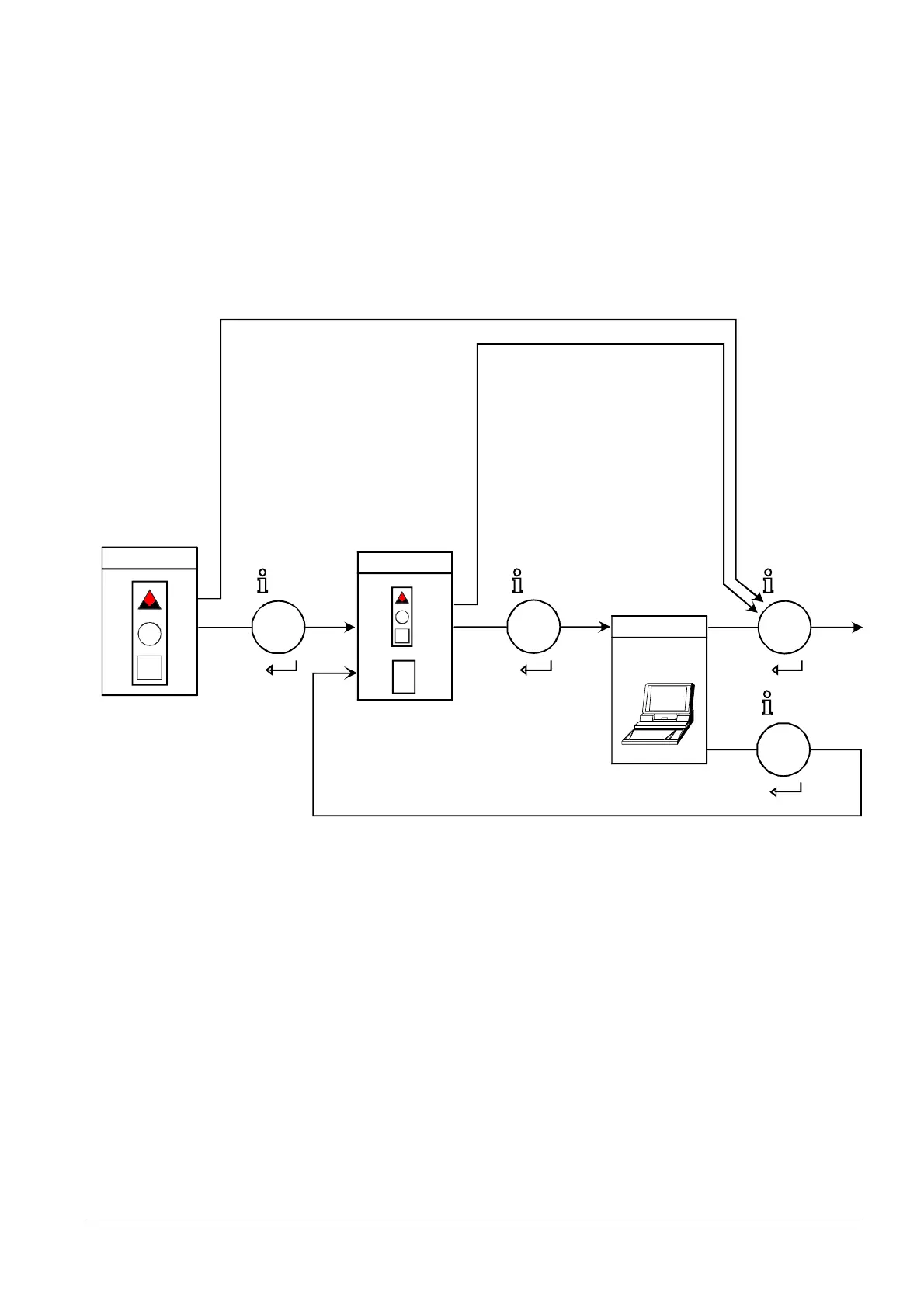
7.3 Diagnostics of cause of fault
After a non-alterable lockout, the red fault signal lamp (LED) lights up.
In that condition, visual diagnostics of cause of fault according to the error code table
can be activated by pressing the lockout reset button (info button) for more than 3
seconds. Pressing the lockout reset button (info button) again for at least 3 seconds,
interface diagnostics will be activated. If, by accident, interface diagnostics has been
activated, in which case the slightly red light of the signal lamp flickers, it can be
deactivated by pressing again the lockout reset button (info button) for >3 seconds. The
instant of switching over is indicated by a yellow light pulse.
The following sequence activates the diagnostics of cause of fault:
> 3 s
Lockout position
xxxxxxxx
xxxxxxxx
xxxxxxxx
xxxxxxxx
xxxxxxxx
xxxxxxxx
> 3 s < 3 s
7105z22en/1016
Reset
On
Lockout position
nfo nfo nfo
> 3 s
nfo
Flashing
Error code table
Interface diagnostics
PC / analyzer
Visual diagnostics
Lockout position
Figure 7: Diagnostics of cause of fault

Table of Contents

Related product manuals