EasyManua.ls Logo

Siemens SINAMICS G120 - Setpoints

Siemens SINAMICS G120
550 pages
To Next Page IconTo Next Page
To Next Page IconTo Next Page
To Previous Page IconTo Previous Page
To Previous Page IconTo Previous Page
Loading...
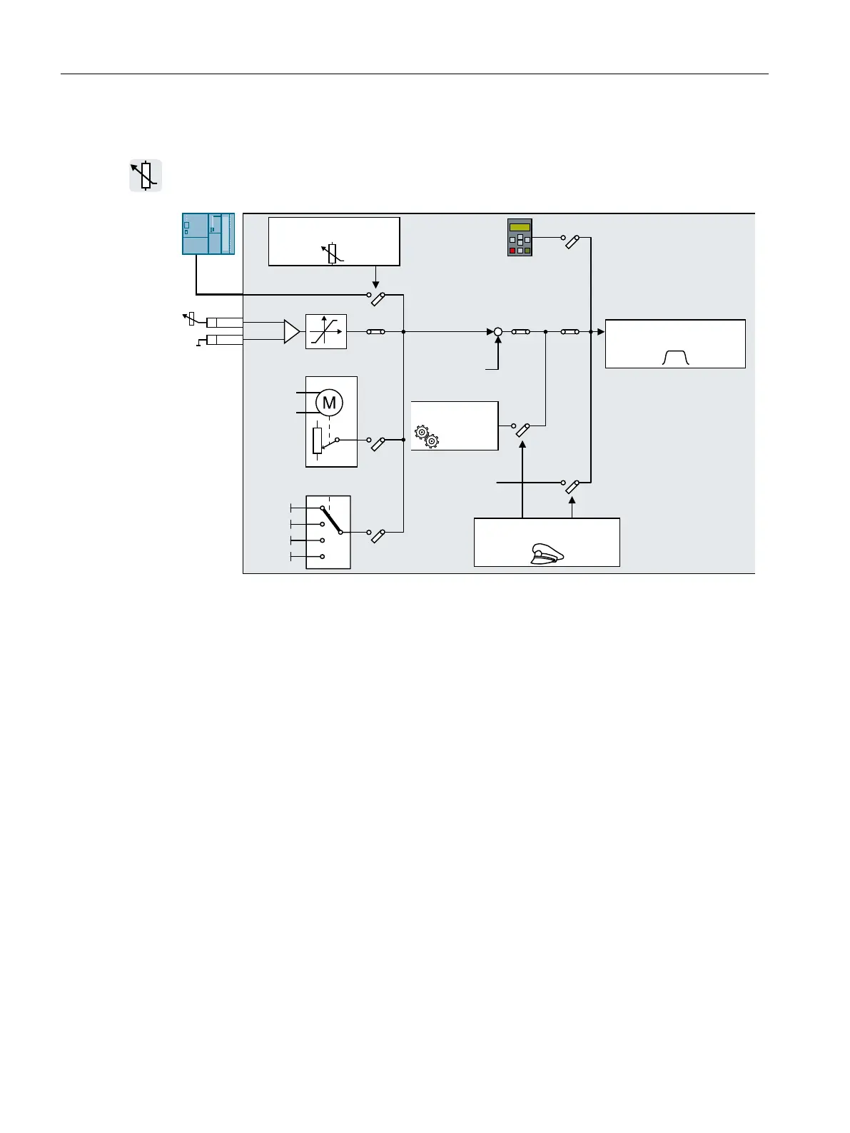
6.16 Setpoints
The inverter receives its main setpoint from the setpoint source. The main setpoint generally
specifies the motor speed.
,QYHUWHUFRQWURO
6HWSRLQWV
6HWSRLQWSURFHVVLQJ
/RZHU
)L[HGVHWSRLQWV
0RWRUL]HGSRWHQWLRPHWHU
5DLVH
6XSSOHPHQWD
U\VHWSRLQW
0DLQVHWSRLQW
-RJJLQJ
VHWSRLQW
7HFKQRORJ\
FRQWUROOHU
6HWSRLQWIURP
RSHUDWRUSDQHO
RU3&
Figure 6-21 Setpoint sources for the inverter
You have the following options when selecting the source of the main setpoint:
Inverter analog input.
Inverter fieldbus interface.
Motorized potentiometer simulated in the inverter.
Fixed setpoints saved in the inverter.
You have the same selection options when selecting the source of the supplementary setpoint.
Under the following conditions, the inverter switches from the main setpoint to other setpoints:
When the technology controller is active and appropriately interconnected, its output
specifies the motor speed.
When jogging is active.
When controlling from an operator panel or the STARTER PC tool.
Advanced commissioning
6.16 Setpoints
Converter with the CU230P-2 Control Units
258 Operating Instructions, 09/2017, FW V4.7 SP9, A5E34257946B AE

Table of Contents

Other manuals for Siemens SINAMICS G120

Related product manuals