EasyManua.ls Logo

SMAR ld301 - Page 10

SMAR ld301
110 pages
Print Icon
To Next Page IconTo Next Page
To Next Page IconTo Next Page
To Previous Page IconTo Previous Page
To Previous Page IconTo Previous Page
Loading...
LD301 – Operation and Maintenance Instruction Manual
1.2
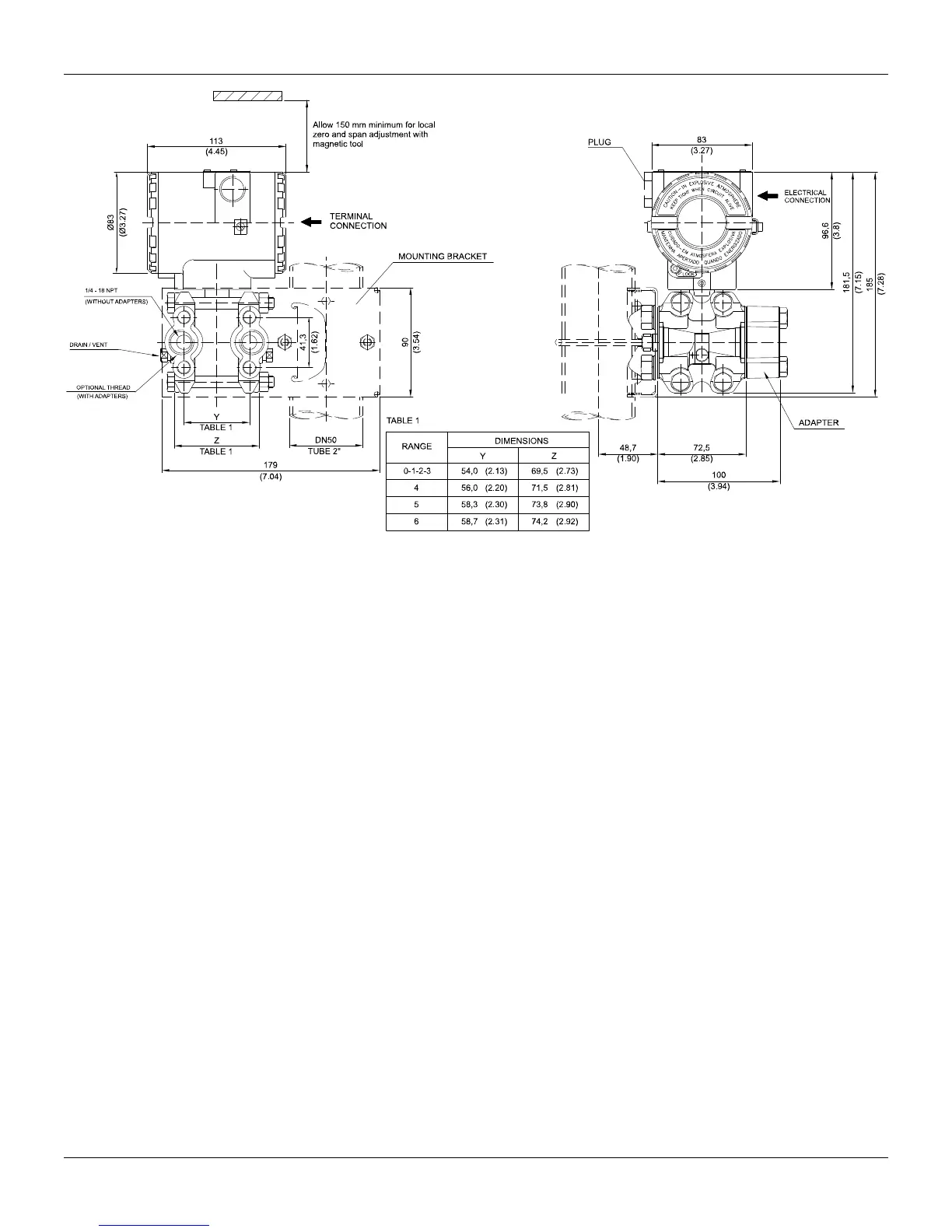
Figure 1.1 (a) – Dimensional Drawing and Mounting Position - Differential, Flow, Gage, Absolute and High Static Pressure
Transmitters with Mounting Bracket

Table of Contents

Related product manuals