EasyManua.ls Logo

SMAR ld301 - Page 13

SMAR ld301
110 pages
Print Icon
To Next Page IconTo Next Page
To Next Page IconTo Next Page
To Previous Page IconTo Previous Page
To Previous Page IconTo Previous Page
Loading...
Installation
1.5
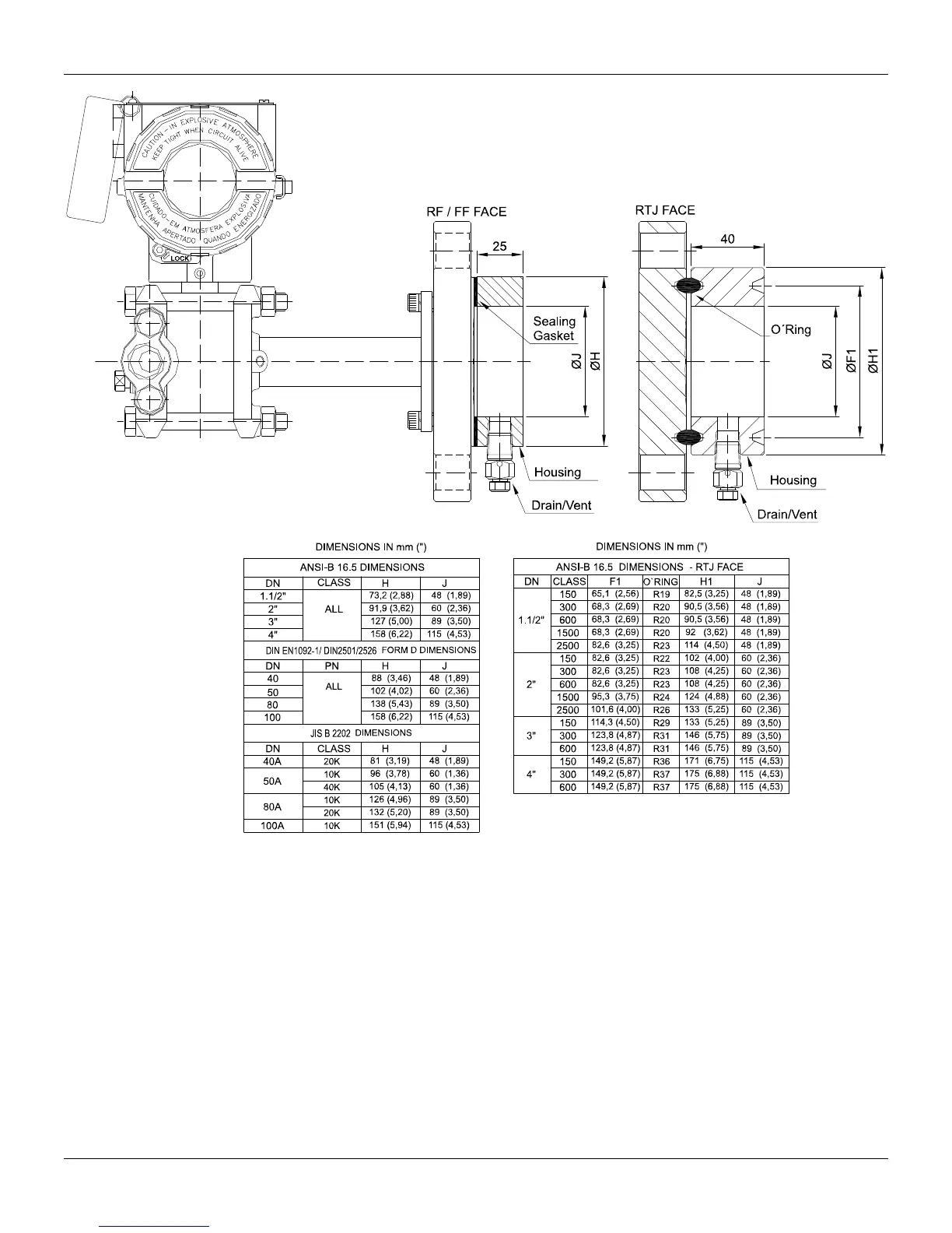
Figure 1.1 (d) – Dimensional Drawing and Mounting Position - Flanged Pressure Transmitter with Housing

Table of Contents

Related product manuals