EasyManua.ls Logo

socomec ATyS - Dimensions: Frame B8 (2000 A to 3200 A)

socomec ATyS
52 pages
Print Icon
To Next Page IconTo Next Page
To Next Page IconTo Next Page
To Previous Page IconTo Previous Page
To Previous Page IconTo Previous Page
Loading...
23
EN
ATyS / ATySr - 541630C - SOCOMEC
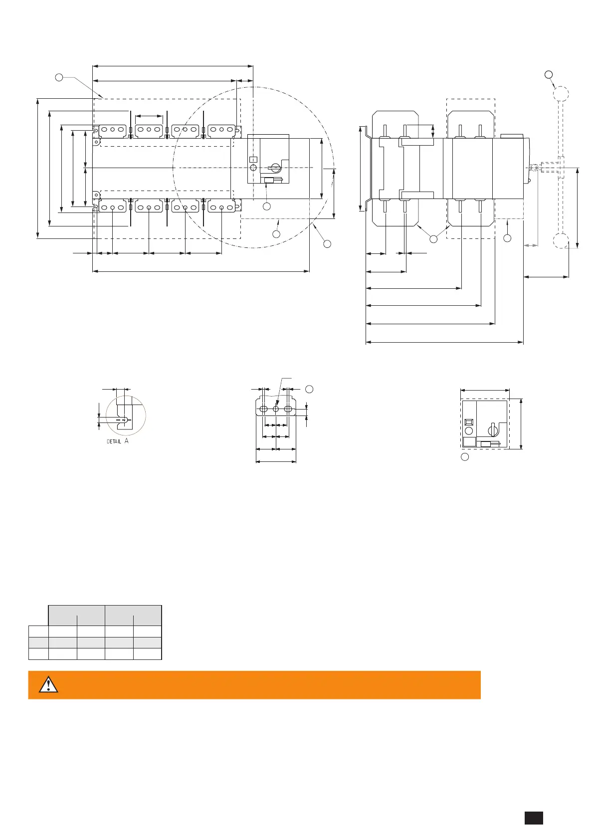
6.1.3. Dimensions: Frame B8 (2000A to 3200A)
8
7
3
56
3
1
= =
4
2
5
J
mm
Fix. M
867,5
12012,5 53,5 120 120
F
fix. 250
288
380
461
133,5
320
386
425
524
48
265
149
90
51,5
166
280
44
200
138
150
9
12.5 5
5
15
90
30 30
45 45
25 25
2000 A - 3200 A
ø 12,5
1. Padlocking Facility: Locking bracket for up to 3 padlocks of dia. 4 – 8mm
2. Emergencymanualoperation:Maximumoperatingradiuswithanoperatingangleof2x90°
3. Connection and disconnection area
4. Terminal shields
5. Phase Barriers
6. Emergency removable handle
7. FrameB8,(Dualframe)factoryttedpowerterminalconnections
8. Flush mounting cutout dimensions for front door
2000 A 3200 A
3P 4P 3P 4P
F
596 716 596 716
J
398,5 518,5 398,5 518,5
M
347 467 347 467
CAUTION
To consider the space required for manual operation and wiring.
(When using the ATySr emergency handle: note 2).

Table of Contents

Other manuals for socomec ATyS

Related product manuals