EasyManua.ls Logo

Sony HCD-FL7D - 9-10. DVD MECHANISM DECK SECTION-1 (CDM53 N-DVBU14)

Sony HCD-FL7D
204 pages
Print Icon
To Next Page IconTo Next Page
To Next Page IconTo Next Page
To Previous Page IconTo Previous Page
To Previous Page IconTo Previous Page
Loading...
133
HCD-FL7D
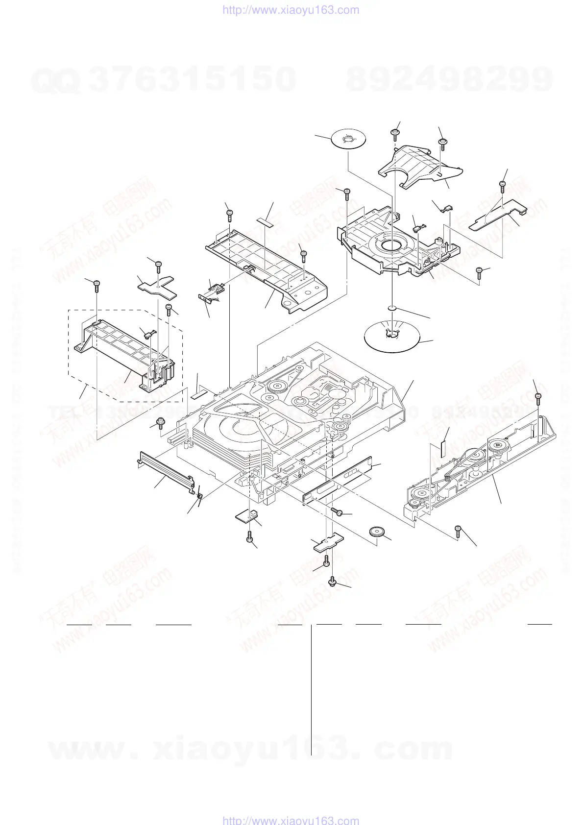
9-10. DVD MECHANISM DECK SECTION-1
(CDM53N-DVBU14)
Ref. No. Part No. Description Remark
Ref. No. Part No. Description Remark
501 4-218-253-11 SCREW (M2.6), +BTTP
502 3-341-549-01 SCREW(2.6X12)(DIA.7.5),+PTP WH
503 4-211-215-01 GEAR (EJECT)
504 1-683-897-11 INIT/COUNT SW BOARD
505 1-683-899-11 SENSOR BOARD
506 4-212-676-01 SPRING (LID), TORSIONOR
507 4-221-532-11 LID (DISC)
508 4-985-672-01 SCREW (+PTPWH M2.6), FLOATING
509 A-4672-909-C BASE (GUIDE) ASSY, FITTING
510 1-683-898-11 OUT/MIDOUT SW BOARD
511 1-683-900-11 SENSOR 2 BOARD
512 4-964-461-02 HOLDER (SENSOR)
514 1-683-896-11 IN/MIDIN SW BOARD
515 3-053-844-01 YOKE
517 1-683-895-11 CONNECT BOARD
518 4-234-723-01 PULLEY (AT) (240)
520 X-4954-450-1 PULLEY (240) ASSY
521 4-221-528-01 LEVER (DETECTION A)
522 4-221-530-01 LEVER (DETECTION C)
523 4-222-783-02 LEVER (LIFTER)
524 4-933-134-01 SCREW (M2.6), +PTPWH
mechanism deck section-3
502
501
508
523
521
522
508
503
517
501
501
501
501
506
507
524
505
504
501
509
521
501
511
512
510
501
501
501
501
501
514
518
520
515
not supplied
not supplied
not
supplied
not
supplied
not
supplied
not
supplied
mechanism deck section-2
501
w
w
w
.
x
i
a
o
y
u
1
6
3
.
c
o
m
Q
Q
3
7
6
3
1
5
1
5
0
9
9
2
8
9
4
2
9
8
T
E
L
1
3
9
4
2
2
9
6
5
1
3
9
9
2
8
9
4
2
9
8
0
5
1
5
1
3
6
7
3
Q
Q
TEL 13942296513 QQ 376315150 892498299
TEL 13942296513 QQ 376315150 892498299
http://www.xiaoyu163.com
http://www.xiaoyu163.com

Table of Contents

Related product manuals