EasyManua.ls Logo

Sony HCD-FL7D - SCHEMATIC DIAGRAM - TRANS Board -

Sony HCD-FL7D
204 pages
Print Icon
To Next Page IconTo Next Page
To Next Page IconTo Next Page
To Previous Page IconTo Previous Page
To Previous Page IconTo Previous Page
Loading...
HCD-FL7D
9595
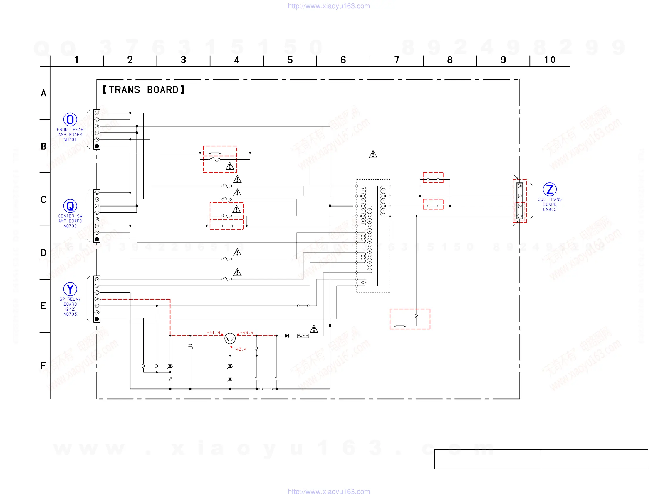
8-56. SCHEMATIC DIAGRAM – TRANS Board –
•Voltages and waveforms are dc with respect to ground
under no-signal (detuned) conditions.
no mark : TUNER
The components identified by mark 0 or dotted
line with mark 0 are critical for safety.
Replace only with part number specified.
Les composants identifiés par une marque 0 sont
critiques pour la sécurité. Ne les remplacer que
par une pièce portant le numéro spécifié.
JW922
JW923
JW917
JW916
CN915
CN916
CN914
T911
NO3
R912
D911
R914
Q971
R915
R916R917
C915
D913 D912
D914 C914
F915
F914
F919
F918
R913
C913
R911
JW924
JW928
F916
F917
6P
8P
7P
11ES2N
-TB5
1k
2SA1932
10k
100100
100
50V
RD6.2F
-T7B2
MTZJ-T-72
-39A
MTZJ-T-72
-3.6A
1
50V
0.68
100
63V
3.3M
1/2W
T8AL 250V
T8AL 250V
D-GND
VP
VF
VF
AC2(VH)
AC2(VH)
AC1(VL)
AC1(VL)
AC3(MOTOR)
AC3(MOTOR)
AC4(PRE)
AC4(PRE)
AC2(VH)
AC2(VH)
AC1(VL)
AC1(VL)
N.C.
AC GND
AC GND
AC GND
AC GND
-42V
REGULATOR
TRANSFORMER
POWER
MAIN
230/240
220
120
NEURAL
2P
4P
NO3
D911
RECT
8A 125V (US,CND)
T8AL 250V (EXCEPT US,CND)
F914,915
8A 125V (US,CND)
(EXCEPT US,CND)
(US,CND)
(EXCEPT US,CND)
T5AL 250V
F919
F918
T6.3AL 250V
(KR)
(EXCEPT KR)
(US,CND)
(EXCEPT EA,SP)
(EA,SP)
(EA,SP)
(EXCEPT EA,SP)
6.3A 125V
(US,CND,AEP,UK)
(EA,MX,SP,KR)
(US,CND,AEP,UK)
(EA,MX,SP,KR)
(Page 77)
(Page 73)
(Page 81)
(Page 92)
w
w
w
.
x
i
a
o
y
u
1
6
3
.
c
o
m
Q
Q
3
7
6
3
1
5
1
5
0
9
9
2
8
9
4
2
9
8
T
E
L
1
3
9
4
2
2
9
6
5
1
3
9
9
2
8
9
4
2
9
8
0
5
1
5
1
3
6
7
3
Q
Q
TEL 13942296513 QQ 376315150 892498299
TEL 13942296513 QQ 376315150 892498299
http://www.xiaoyu163.com
http://www.xiaoyu163.com

Table of Contents

Related product manuals