EasyManua.ls Logo

Sony HCD-FL7D - SCHEMATIC DIAGRAM - SUB TRANS Board -

Sony HCD-FL7D
204 pages
Print Icon
To Next Page IconTo Next Page
To Next Page IconTo Next Page
To Previous Page IconTo Previous Page
To Previous Page IconTo Previous Page
Loading...
HCD-FL7D
9292
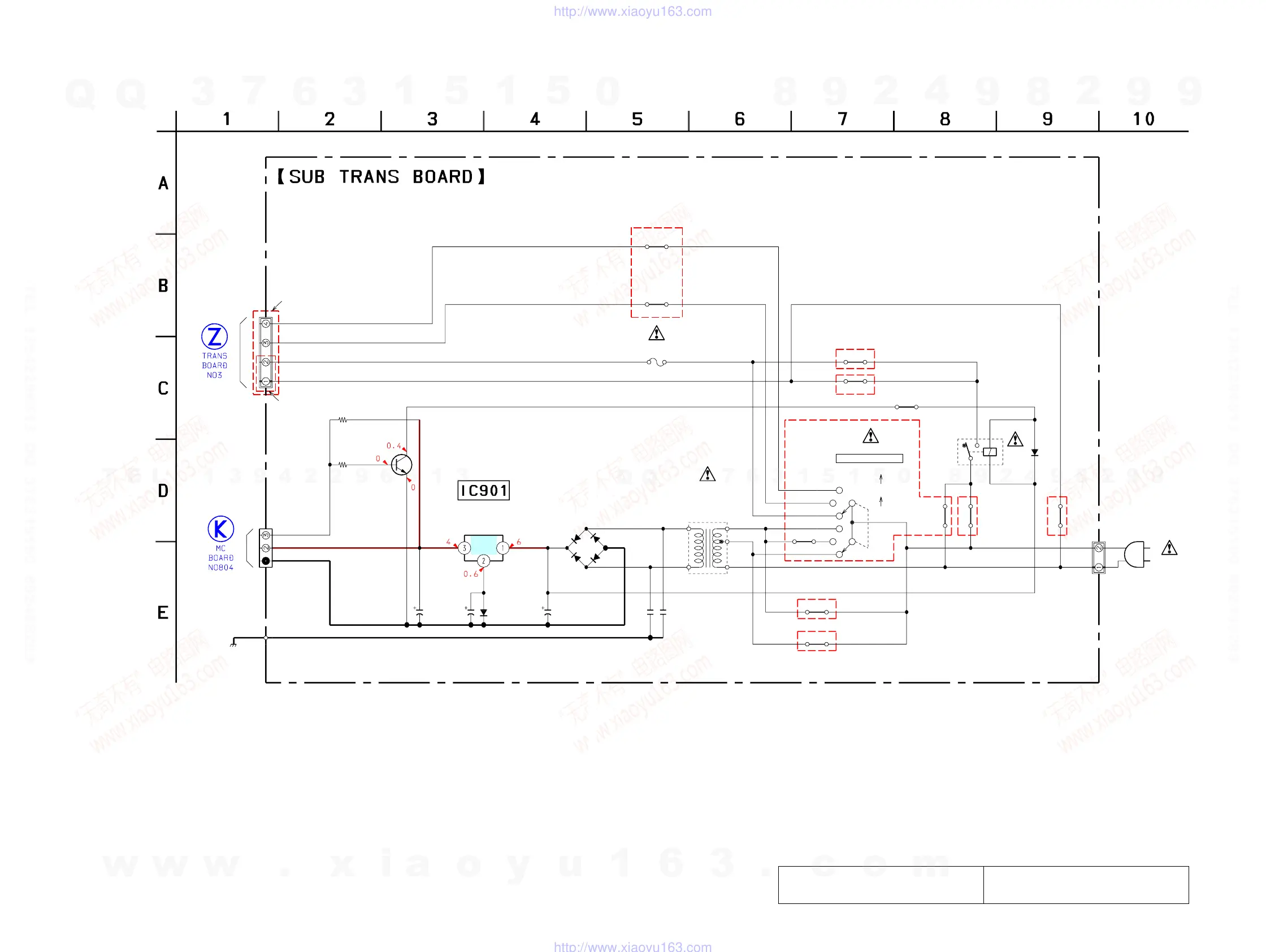
8-54. SCHEMATIC DIAGRAM – SUB TRANS Board –
•Voltages and waveforms are dc with respect to ground
under no-signal (detuned) conditions.
no mark : TUNER
The components identified by mark 0 or dotted
line with mark 0 are critical for safety.
Replace only with part number specified.
Les composants identifiés par une marque 0 sont
critiques pour la sécurité. Ne les remplacer que
par une pièce portant le numéro spécifié.
JW907
JW903
JW902
JW901
CN902
CN903
T901
F913
JW906
JW904
JW905
JW908
R904
CN901
C905
C906 C903
IC901
S901
D905
D901D902
D904D903
D906
C901
R902
R901
Q901
RY901
C902
JW911
JW912
3P
2P
10
50V
0.1 0.1
1SS133
11ES2N11ES2N
11ES2N11ES2N
1SS133
100
10V
10k
10k
2SC2785TP
*
STBY_RELAY
D-GND
(CHASSIS)
(AC IN)
2P
4P
CN902
EVER+4V
+4V REGULATOR
OI
G
D901-904
RECT
TRANSFORMER
POWER
SUB
(MX)
*
F913
220V
VOLTAGE SELECTOR
120V
230-240V
-1
-2
RELAY
DRIVE
POWER
ON/OFF
(EXCEPT EA,SP)
(EA,SP)
(EXCEPT EA,SP)
(EA,SP)
(EA,SP)
T5AL 250V
8A 125V
T3.15AL 250V
(EA,MX,SP)
(AEP,UK,KR) (EXCEPT EA,SP)
(EA,SP)
(EA,SP)
(EXCEPT EA,SP)
(EXCEPT EA,SP)
(EXCEPT EA,MX,SP)
6.3A 125V (CND)
(US)
(US,CND)
(EXCEPT US,CND)
C902
470 16V
1000 16V
µPC2933HF
(Page 95)
(Page 67)
w
w
w
.
x
i
a
o
y
u
1
6
3
.
c
o
m
Q
Q
3
7
6
3
1
5
1
5
0
9
9
2
8
9
4
2
9
8
T
E
L
1
3
9
4
2
2
9
6
5
1
3
9
9
2
8
9
4
2
9
8
0
5
1
5
1
3
6
7
3
Q
Q
TEL 13942296513 QQ 376315150 892498299
TEL 13942296513 QQ 376315150 892498299
http://www.xiaoyu163.com
http://www.xiaoyu163.com

Table of Contents

Related product manuals