EasyManua.ls Logo

Sony HCD-FL7D - SCHEMATIC DIAGRAM - SW Board -; MC BOARD

Sony HCD-FL7D
204 pages
Print Icon
To Next Page IconTo Next Page
To Next Page IconTo Next Page
To Previous Page IconTo Previous Page
To Previous Page IconTo Previous Page
Loading...
HCD-FL7D
6363
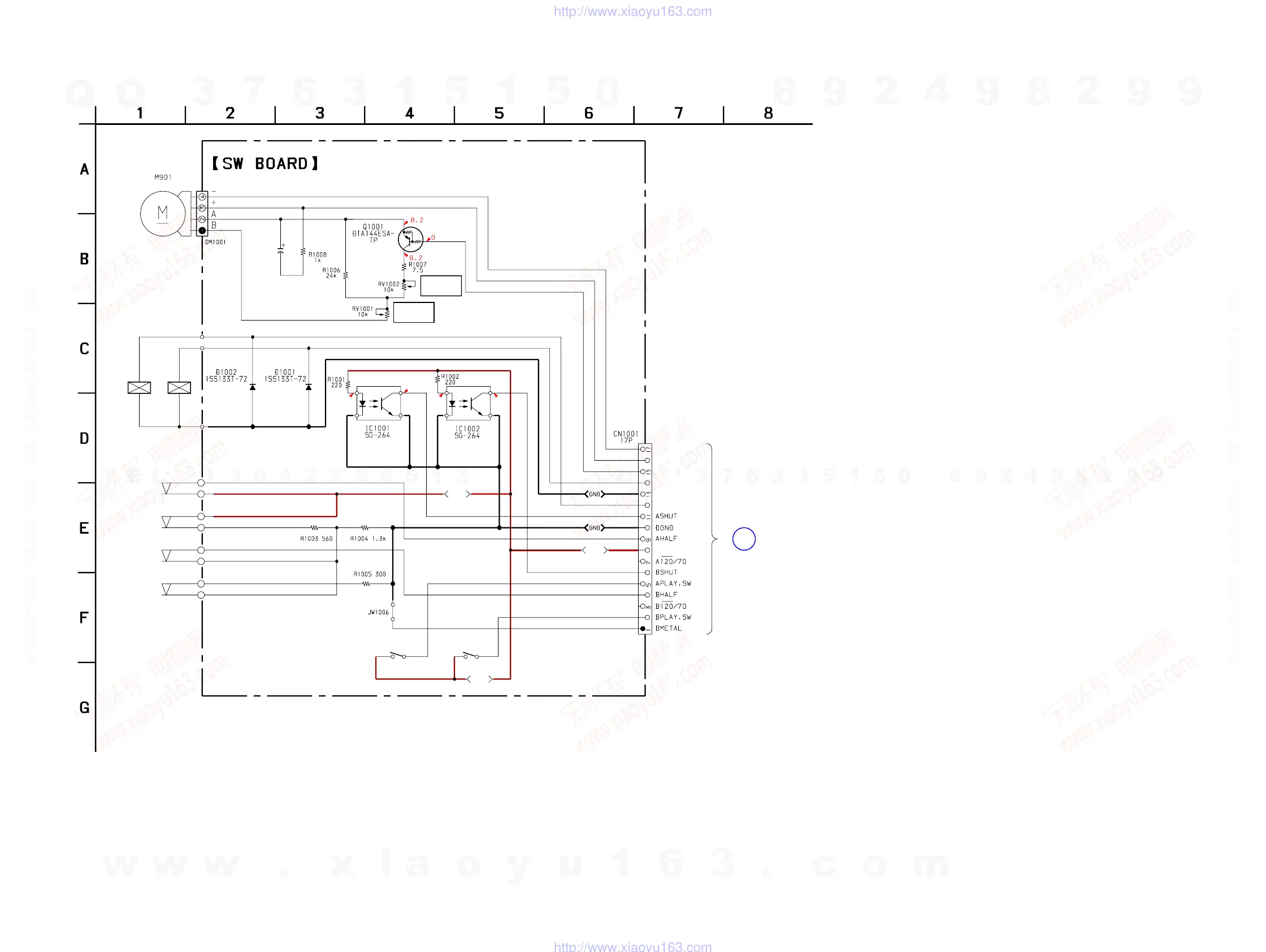
8-25. SCHEMATIC DIAGRAM – SW Board –
•Voltages and waveforms are dc with respect to ground
under no-signal (detuned) conditions.
no mark : TUNER
E
MC BOARD
CN109
[3.3]
[3.3]
[] {2.9}
<<2.9>>
[1.5]
{} <<>>
(CAPSTAN)
CAPSTAN MOTOR
CONTROL SWITCH
TAPE SPEED
(NORMAL)
TAPE SPEED
(HIGH)
ROTATION
DETECT
SENSOR (DECK A)
ROTATION
DETECT
SENSOR (DECK B)
+3.3V
+3.3V
CAPM
CAPM+
CAPMH/L
ATRGM+
TRGMGND
BTRGM+
S1001
(DECK A PLAY)
S1002
(DECK B PLAY)
S1003
(DECK A HALF)
S1005
(DECK A REC)
S1006
(DECK B HALF)
S1009
(DECK B REC)
C1001
33
10V
PM902
(DECK B)
PM901
(DECK A)
+3.3V
+3.3V
(Page 67)
w
w
w
.
x
i
a
o
y
u
1
6
3
.
c
o
m
Q
Q
3
7
6
3
1
5
1
5
0
9
9
2
8
9
4
2
9
8
T
E
L
1
3
9
4
2
2
9
6
5
1
3
9
9
2
8
9
4
2
9
8
0
5
1
5
1
3
6
7
3
Q
Q
TEL 13942296513 QQ 376315150 892498299
TEL 13942296513 QQ 376315150 892498299
http://www.xiaoyu163.com
http://www.xiaoyu163.com

Table of Contents

Related product manuals