EasyManua.ls Logo

Sony HCD-FL7D - Schematic Diagram - MIC Board - (EA, MX, SP, KR Models)

Sony HCD-FL7D
204 pages
Print Icon
To Next Page IconTo Next Page
To Next Page IconTo Next Page
To Previous Page IconTo Previous Page
To Previous Page IconTo Previous Page
Loading...
HCD-FL7D
2323
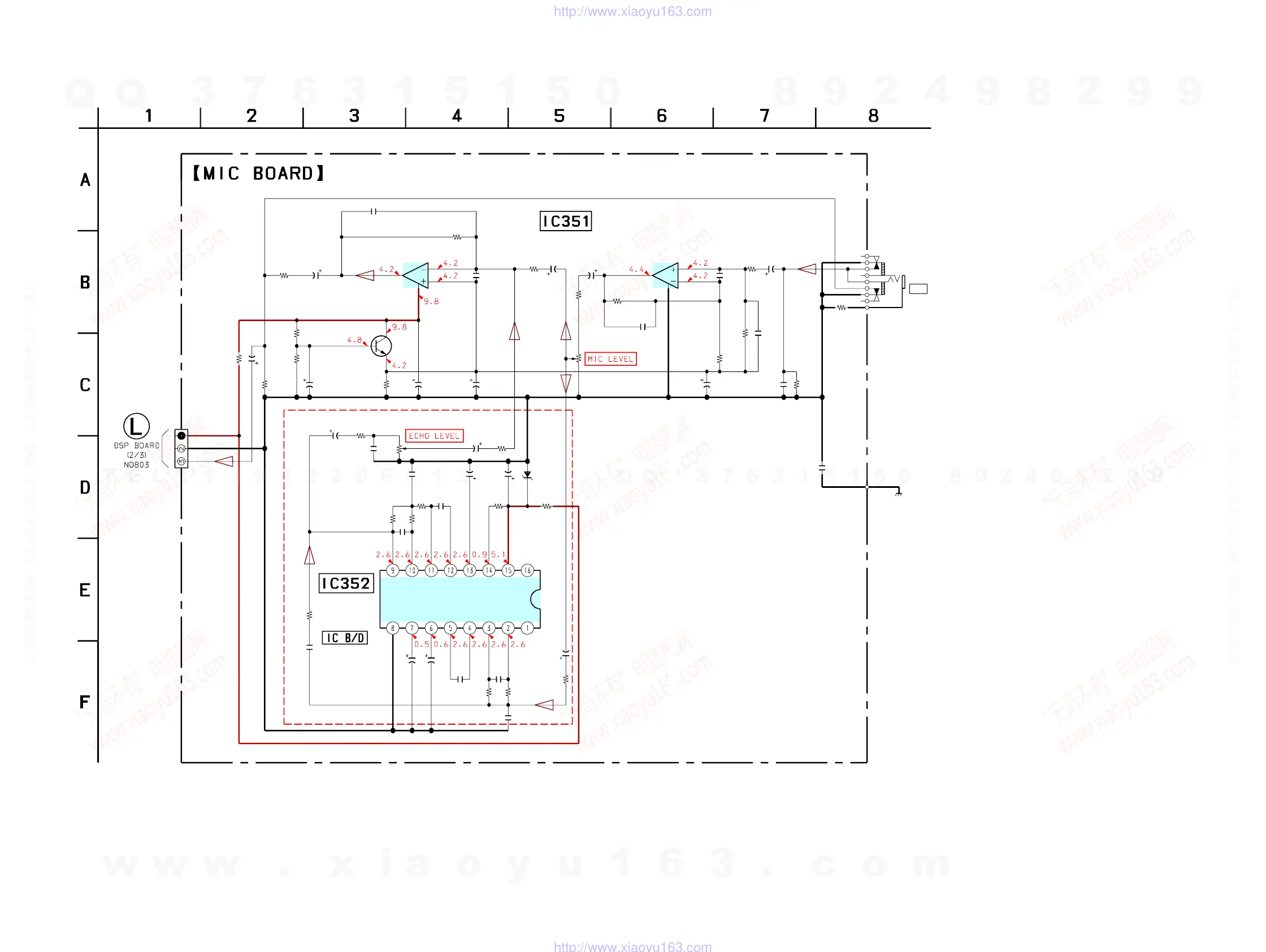
1-20. SCHEMATIC DIAGRAM – MIC Board – (EA, MX, SP, KR models)
•Voltages and waveforms are dc with respect to ground
under no-signal (detuned) conditions.
no mark : TUNER
J351
C381
IC351(1/2)
IC351(2/2)
CN318
C360
R360
R361R364
C364
R363
Q351
R362
C362
R359
C361
R358
R357
C358
C359
R356
C356
RV351
R352
C351
C355
R353
C353
R354
C352
R351
C354
FB351
C363
C357R355
C365
D351
C367
R366
C366
IC352
R369
C374
C379C378
C376
C377R372
C375
R373
R370
R371
C373
C372
C370
R367R368
C371
R375
C380
C368
RV352
C369
R374
R365
100
16V
NJM4580E-D(T1)
NJM4580E-D(T1)
3P
100p
10k
10k0
10
50V
100k
2SC2785
1k
10
50V
100
2.2
50V
150k
10k
2.2
50V
47p
100
0.1
50V
50k
1k
0.22
50V
47p
100k
0.001
1k
0.01
10k
10
50V
0
10
50V
0.01
UDZ-TE-17
-5.1B
0.022
15k
2.2
50V
M65850
47k
0.15
47
16V
47
16V
6800p
0.06822k
1000p
120k
22k
22k
0.47
50V
0.47
50V
1000p
22k22k
0.068
22k
1
50V
1
50V
50k
6800p
270
15k
∗∗
MIC
+10V
MIC
MIC GND
(CHASSIS)
MIC
CONTROL
MIC AMP
1
4
2
3
7
8
5
6
∗
R355
2.2k
47k (EA,SP,KR)
(MX)
∗
(EA,SP,KR)
(MX)
C357
220p
470p
OP2OUT
VCC
CLOCK
REF
OP2IN
LPF2IN
LPF2OUT
NC
GND
CC2
CC1
OP1IN
OP1OUT
LPF1OUT
LPF1IN
NC
DIGITAL
ECHO
(EA,SP,KR)
w
w
w
.
x
i
a
o
y
u
1
6
3
.
c
o
m
Q
Q
3
7
6
3
1
5
1
5
0
9
9
2
8
9
4
2
9
8
T
E
L
1
3
9
4
2
2
9
6
5
1
3
9
9
2
8
9
4
2
9
8
0
5
1
5
1
3
6
7
3
Q
Q
TEL 13942296513 QQ 376315150 892498299
TEL 13942296513 QQ 376315150 892498299
http://www.xiaoyu163.com
http://www.xiaoyu163.com

Table of Contents

Related product manuals