EasyManua.ls Logo

Sony HCD-FL7D - SCHEMATIC DIAGRAM - VIDEO Board -

Sony HCD-FL7D
204 pages
Print Icon
To Next Page IconTo Next Page
To Next Page IconTo Next Page
To Previous Page IconTo Previous Page
To Previous Page IconTo Previous Page
Loading...
HCD-FL7D
8989
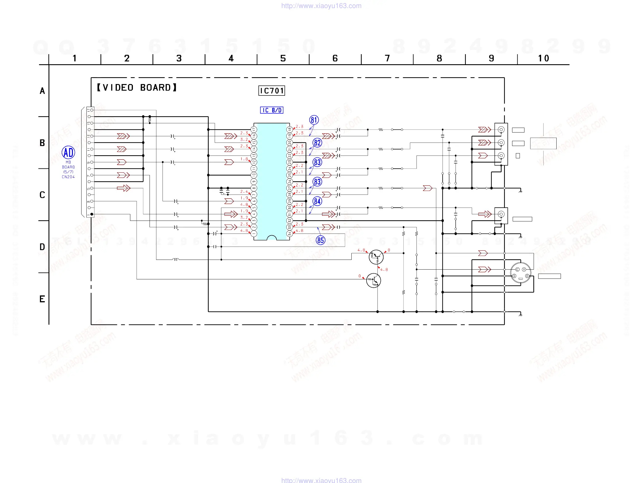
8-51. SCHEMATIC DIAGRAM – VIDEO Board – See page 93 for Waveforms. See page 96 for IC Block Diagram.
•Voltages and waveforms are dc with respect to ground
under no-signal conditions.
no mark : DVD PLAY
FB712
FB714
FB715
FB716
R718
R719
R720
R721
R722
IC701
C741
C704
C703
C702
C701
R701
L701
R702
CN701
C781
C782
C780
JW780
JW781
JW782
C772
C770
C786
JW784
C784
JW786
C785
JW785
FB711
C771
J701
J703
J702
R717R724
R725
Q711
Q712
C761
C763
C762
C766
C765
C764
C744
C742
C743
C745
C746
C747
C748
C749
C750
C751
FB717
75
75
75
75
75
MM1568
0.1
0.1
22
50V
0.1
100
10V
10k
10k
17P
22p
22p
22p
22p
22p22p
3P
1P
7510k
10k
BN1A4M
BN1L4M
1 50V
1 50V
1 50V
1 50V
1
50V
1
50V
470 6.3V
470 6.3V
100 10V
100 10V
470 6.3V
100 10V
22 50V
100 10V
22 50V
100 10V
V5V
VGND
R_GND
CR/B
B_GND
CB/R
C_GND
YGND
V_GND
WIDE
VIDEO.SW
C
Y
V
VMUTE1
VMUTE2
GND2
MUTE2
CR IN
CB IN
CLP
NC
GND1
TRAP
GND1
BIAS
Y IN
YC MIX
V IN
MUTE1
C IN
VCC1
VCC2
C OUT
GND2
V OUTA
V OUTB
GND2
Y OUTB
Y OUTA
GND2
GND2
CB OUTB
CB OUTA
GND2
CR OUTB
CR OUTA
CY IN
CY OUTA
CY OUTB
(CHASSIS)
(CHASSIS)
(CHASSIS)
PR/CR
P
B/CB
Y
COMPONENT
VIDEO OUT
VIDEO OUT
S VIDEO OUT
VIDEO AMP,
Q711,712
WIDE SWITCH
75 DRIVER
10µH
(Page 54)
w
w
w
.
x
i
a
o
y
u
1
6
3
.
c
o
m
Q
Q
3
7
6
3
1
5
1
5
0
9
9
2
8
9
4
2
9
8
T
E
L
1
3
9
4
2
2
9
6
5
1
3
9
9
2
8
9
4
2
9
8
0
5
1
5
1
3
6
7
3
Q
Q
TEL 13942296513 QQ 376315150 892498299
TEL 13942296513 QQ 376315150 892498299
http://www.xiaoyu163.com
http://www.xiaoyu163.com

Table of Contents

Related product manuals