EasyManua.ls Logo

Sony HCD-FL7D - SCHEMATIC DIAGRAM - REGULATOR Board -

Sony HCD-FL7D
204 pages
Print Icon
To Next Page IconTo Next Page
To Next Page IconTo Next Page
To Previous Page IconTo Previous Page
To Previous Page IconTo Previous Page
Loading...
HCD-FL7D
7979
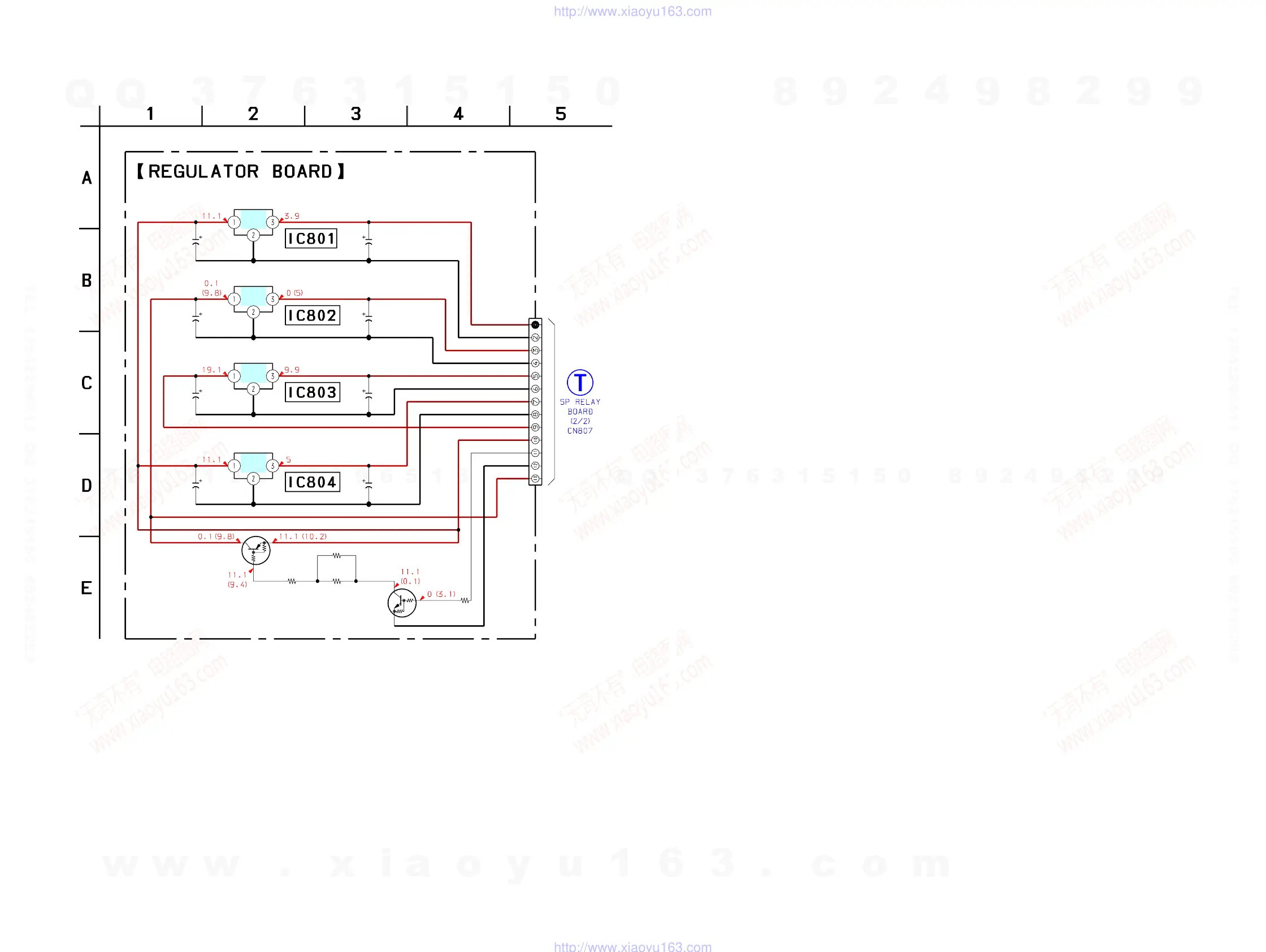
8-41. SCHEMATIC DIAGRAM – REGULATOR Board –
•Voltages and waveforms are dc with respect to ground
under no-signal (detuned) conditions.
no mark : TUNER
(): CD/DVD PLAY
C878
C879C871
C870
C880C872
C873 C881
Q865
NO704
IC804
IC803
IC801
IC802
R887
Q864
R873R871
R872
10
16V
10
16V
0.1
50V
0.1
50V
10
16V
0.1
50V
0.1
50V
10
16V
BA1A4M
13P
TA7805S
TA7810S
TA7805S
100
2SB1640
2.7k2.7k
2.7k
+5V REGULATOR
Q864,865
B+ SWITCH
OI
G
OI
G
OI
G
OI
G
+5V REGULATOR
+4V REGULATOR
+10V REGULATOR
µPC3504AHF
(Page 81)
w
w
w
.
x
i
a
o
y
u
1
6
3
.
c
o
m
Q
Q
3
7
6
3
1
5
1
5
0
9
9
2
8
9
4
2
9
8
T
E
L
1
3
9
4
2
2
9
6
5
1
3
9
9
2
8
9
4
2
9
8
0
5
1
5
1
3
6
7
3
Q
Q
TEL 13942296513 QQ 376315150 892498299
TEL 13942296513 QQ 376315150 892498299
http://www.xiaoyu163.com
http://www.xiaoyu163.com

Table of Contents

Related product manuals