EasyManua.ls Logo

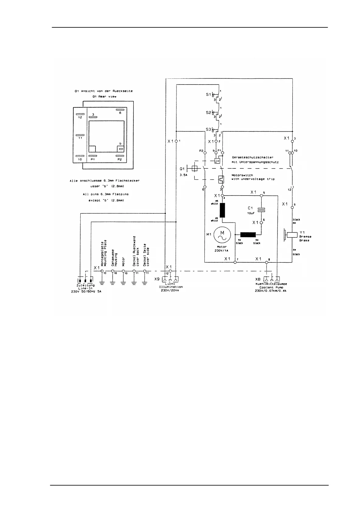
Spinner SM100 - 17.1 Circuit Diagram

Spinner SM100
77 pages
Print Icon
To Next Page IconTo Next Page
To Next Page IconTo Next Page
To Previous Page IconTo Previous Page
To Previous Page IconTo Previous Page
Loading...
17-2
SPINNER Werkzeugmaschinenfabrik GmbH
SM-1-03/02
Circuit diagram
17.1 Circuit diagram

Table of Contents