EasyManua.ls Logo

SRC 3000 - Connecting the Ranger Converter 3000 to 24 VAC and Ground

SRC 3000
51 pages
Print Icon
To Next Page IconTo Next Page
To Next Page IconTo Next Page
To Previous Page IconTo Previous Page
To Previous Page IconTo Previous Page
Loading...
9
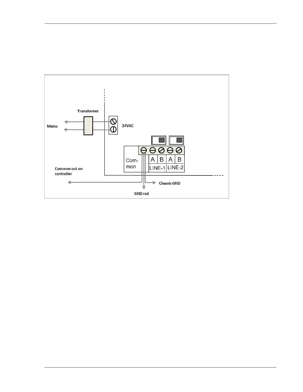
Connecting the Ranger Converter 3000 to 24VAC and Ground
3.1.2.
Connecting the Ranger Converter 3000 to 24VAC and Ground
Using a flat head screwdriver connect the 24VAC terminals to the 120 V mains using a suitable transformer
(supplied by the customer). Also, to help secure your system against lightning, you must ensure that the
Ranger Converter 3000 is grounded. Refer to the illustration below and to the Ranger Converter 3000
Installation diagram at the end of this chapter.
Ranger Converter
3000 Board

Table of Contents