EasyManua.ls Logo

ST ST7 - Page 257

ST ST7
317 pages
Print Icon
To Next Page IconTo Next Page
To Next Page IconTo Next Page
To Previous Page IconTo Previous Page
To Previous Page IconTo Previous Page
Loading...
257/317
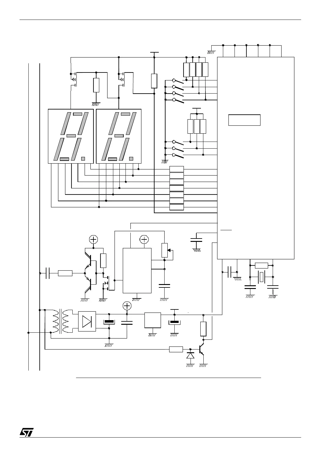
9 - A Carrier-current System for domestIc Remote Control
09-xtx
4.7K
4.7K
Pa0 (25)
Pa1 (24)
Pa2 (23)
Pa3 (22)
Pa4 (21)
Pa5 (20)
Pa6 (19)
Pa7 (18)
330
BS250 BS250
Pc0 (17)
Pc1 (16)
Pc2 (15)
Pc3 (14)
10K
10K
10K
Pb5 (6)
Pb6 (5)
Pb7 (4)
220 / 6V
+
470µF
16V
220nF
100K
100nF
400V
10
BDX 33
BDX 34
100
NE 555
10K
3
2
6
8
1
4
1nF
BS170
Pb1 (10)
Vss
Pb2 (9) (ICAP2_A)
(OCMP1_A)
NPh
HDSP
3900
HDSP
3900
d
c
g
e
b
f
a
10K
10K
10K
5V
10K
+5V
330
330
330
330
330
330
Vdd
78ls05
+
1µF
16V
33pF
33pF
10M
8MHz
Oscin Oscout
5V
ST72E251
Carrier-current system : diagram of the transmitter circuit
10nF
220 V ac
Reset (1)
1µF
(28) (27)
(2)
(3)
Pb0Pb3Pb4Pc4Pc5Test
(11) (8) (7) (13) (12) (26)
1M
2N2222

Table of Contents

Related product manuals