EasyManua.ls Logo

ST ST7 - Page 274

ST ST7
317 pages
Print Icon
To Next Page IconTo Next Page
To Next Page IconTo Next Page
To Previous Page IconTo Previous Page
To Previous Page IconTo Previous Page
Loading...
274/317
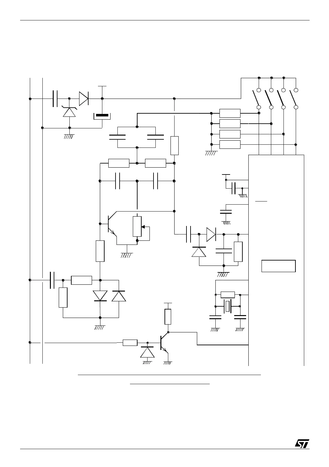
9 - A Carrier-current System for domestIc Remote Control
The following figures show the schematics of the receiver:
09-xrx-1
NPh
10nF-400V
180
Pb2 (9)
1M
22pF
47pF
47pF
22K
22K
20K
47pF
47pF
Pc1 (16)
100nF
400V
+
6.2V
Power supply
100K
100K
100K
100K
Va
220µF
Pa7
(18)
Pa6
(19)
Pa5
(20)
Pa4
(21)
ST72E25
Carrier-current system : diagram of the receiver circuit ;
part 1 : the input signals
33pF 33pF
10M
1MHz
Oscin (2)
Oscout (3)
Reset (1)
F
Vss (27)
Vdd (28)
10nF
Va
100pF
2N
2222
4.7K
150
10K
100K
1M
2N2222
Va

Table of Contents

Related product manuals