EasyManua.ls Logo

TDE MACNO DSC-03N - Configurations; Logic Inputs Configuration

Default Icon
52 pages
Print Icon
To Next Page IconTo Next Page
To Next Page IconTo Next Page
To Previous Page IconTo Previous Page
To Previous Page IconTo Previous Page
Loading...
User manual 7-4
DSC/DSCT Series
7. CONFIGURATIONS
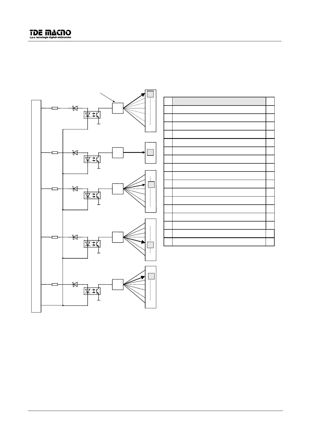
7.1. LOGIC INPUTS CONFIGURATION
AVAILABLE CHOICES
16
C01
L.I.1
1
C02
L.I.2
2
16
1
C03
L.I.3
3
1
C04
L.I.4
4
1
C05
L.I.5
5
16
16
J1
DEFAULT STATE (IF NON ASSIGNED)
H=ON
L=OFF
THE THICK LINE INDICATES THE
DEFAULT PROGRAMMING
2
8
3
0
1
Internal connection
switch
0 ON LINE
LISTING OF AVALABLE FUNCTIONS
1 TORQUE ENABLE L
2 EXTERNAL ENABLE H
3 REF1 ENABLE L
4 REF2 ENABLE L
5 LIMIT SWITCH 1 H
6 LIMIT SWITCH 2 H
7 EXTERN. LIMIT ENABLE H
8 ALARMS RESET L
9 START POSITION 1 L
10 START POSITION 2 L
11 POSITIONER/SPEED L
12 CW/CCW L
13 RAMP ENABLE L
14 START POS.1/POS.2 ALTERNATE L
15
16 L= ANALOG REF. / H= REF. FROM c14
6

Table of Contents

Related product manuals