EasyManua.ls Logo

TDE MACNO DSC-03N - Ramp and Speed Limits Block

Default Icon
52 pages
Print Icon
To Next Page IconTo Next Page
To Next Page IconTo Next Page
To Previous Page IconTo Previous Page
To Previous Page IconTo Previous Page
Loading...
User manual 11-2
DSC/DSCT Series
As can be seen from the table the functions of REF1EN and
c22
are the same as for REF2EN and
c23
;
c22
=
c23
=0 are set by default so that REF1EN and REF2EN can be used;
c22
and
c23
are useful if you
desire select the reference signal by serial line or by the keypad; in this case REF1EN and REF2EN, not
used, are both in the not active state (L).
OFFSET
EXTERNAL
SPEED REF.
P04
-
P60
10000
P60
X
+ADC
EXTERNAL
SPEED REF.
EXTERNAL REFERENCE
S.REF
S.REF
0V10
11
12
J2
+
-
JOG1
REF1
C22
P01
CHOICE OF
REFERENCE
C22
REF2
C23
REF2
DR. RUN
C21
REF2 C23
C23
JOG2
JOG3
C22
REF1
REF1 C22
P02
P03
P61
4096
P61
X
J6
C09
+
-
c14
d1
SPEED REFERENCE
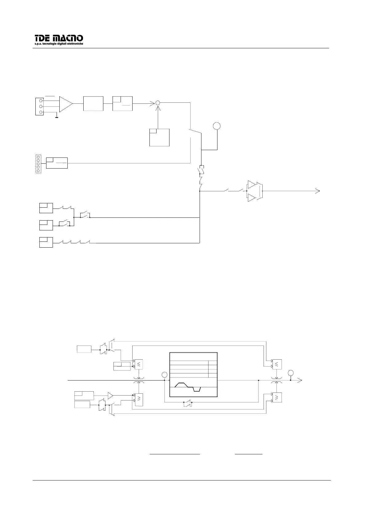
11.4. RAMP AND SPEED LIMITS BLOCK
Parameters
P05
and
P06
are used to limit the maximum reference in the two directions of movement and
can be programmed in the range 0-105.0%; it should be remembered that as the regulation is digital, the
actual speed of the motor will never exceed the limit set in
P05
and
P06.
A linear ramp can be included in the speed reference by programming
c26
=1. (default value
c26
=0).
The acc. cw, dec. cw, acc. ccw and dec. ccw times from speed=0 to max speed =
P52
are set directly in
msec. in parameters
P11, P12, P13
and
P14
.
LS1
C24
VCCW=0
C28
RAMP
CW ACC.
CW DEC.
CCW ACC.
CCW DEC.
D2
P11
P12
P13
P14
D3
CCWDEC.
(RAMP EXCLUSION
CW ACC.
CCW ACC.
C26
CW DEC.
DR. ON-LINE
C28
LS2
C25
VCCW=0
-
P06
CCW VMAX
P05
CW VMAX
FROM REF. BLOCK
The LIMIT SWITCHES LS1, LS2, or the equivalent connections
c24
, and
c25
are used to limit the range of
movement of the motor. If used, they act directly on the speed reference. If the motor turns CW, at LS1
opening
or
c24=0
the reference is set to zero; If the motor turns CCW, at LS2 opening or
c25=0
the
reference is set to zero. The motor can stop without ramp if
c28
=0 or with ramp
if
c28
=1 and
c26
=1. By
default LS1, LS2, if not used, and
c24
and
c25
are equal to 1 (no limitation).
Once the motor has reached the limit switch it stops and does not continue any further in the same direction.
If the reference is inverted it can return in the opposite direction.

Table of Contents

Related product manuals