EasyManua.ls Logo

Textron Aviation 680A - Page 118

Default Icon
141 pages
Print Icon
To Next Page IconTo Next Page
To Next Page IconTo Next Page
To Previous Page IconTo Previous Page
To Previous Page IconTo Previous Page
Loading...
Page 1009
25-20-00
MB680
Martin-Baker
MISSION SEAT ETSO
MAINTENANCE MANUAL
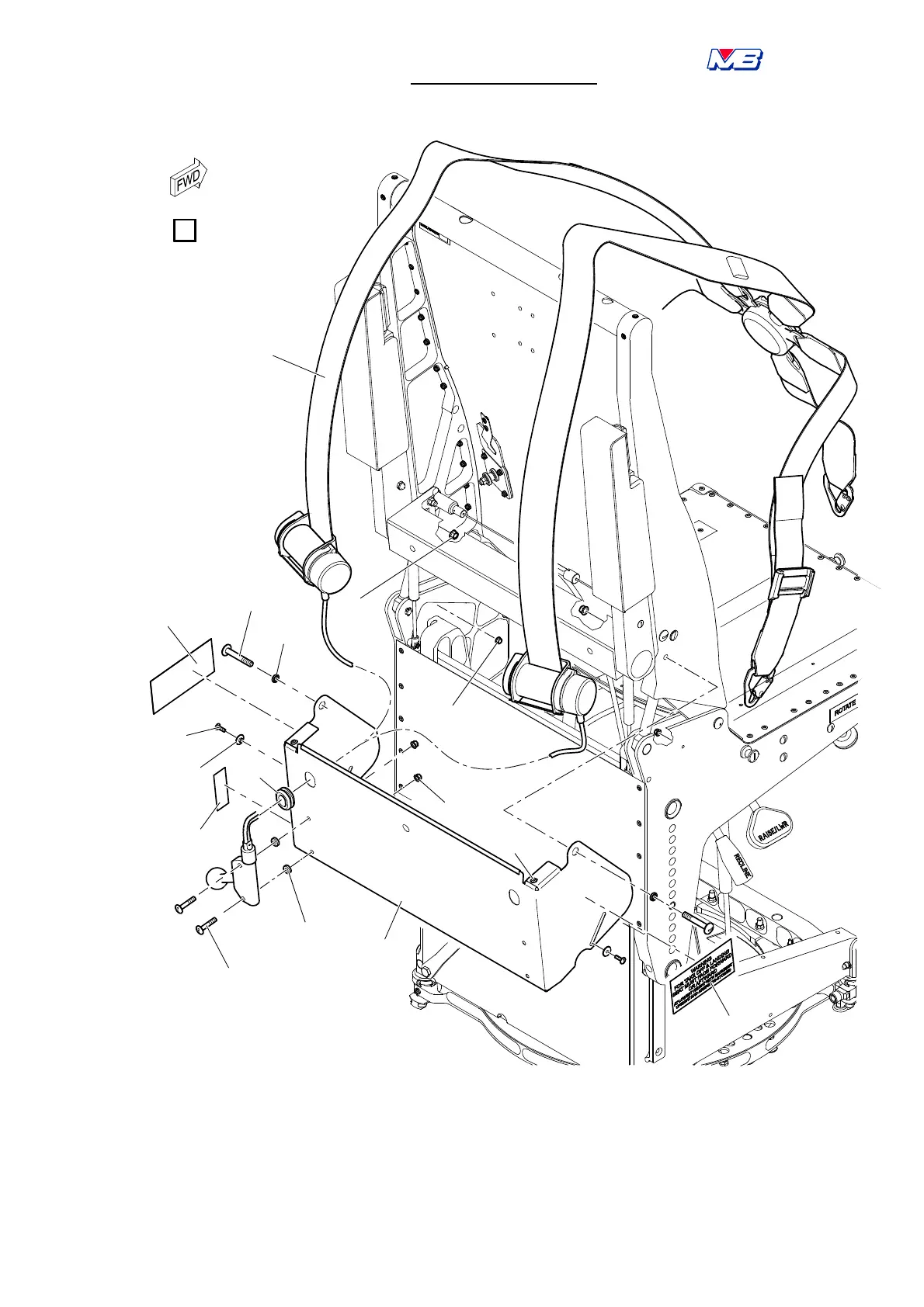
Fig. 1 Mission
seat (Sheet 4 of 14)
E
105 x2
100 x2
125 x2
130 x2
25 x2
20 x2
15 x2
90
165
10
110 x2
135 x2
30
95 x2
70
70
MBI21467-01
ICA-680A-25-80003A
Sep 4/2020

Table of Contents