EasyManua.ls Logo

Textron Aviation 680A - Page 119

Default Icon
141 pages
Print Icon
To Next Page IconTo Next Page
To Next Page IconTo Next Page
To Previous Page IconTo Previous Page
To Previous Page IconTo Previous Page
Loading...
Page 1010
25-20-00
MB680
Martin-Baker
MISSION SEAT ETSO
MAINTENANCE MANUAL
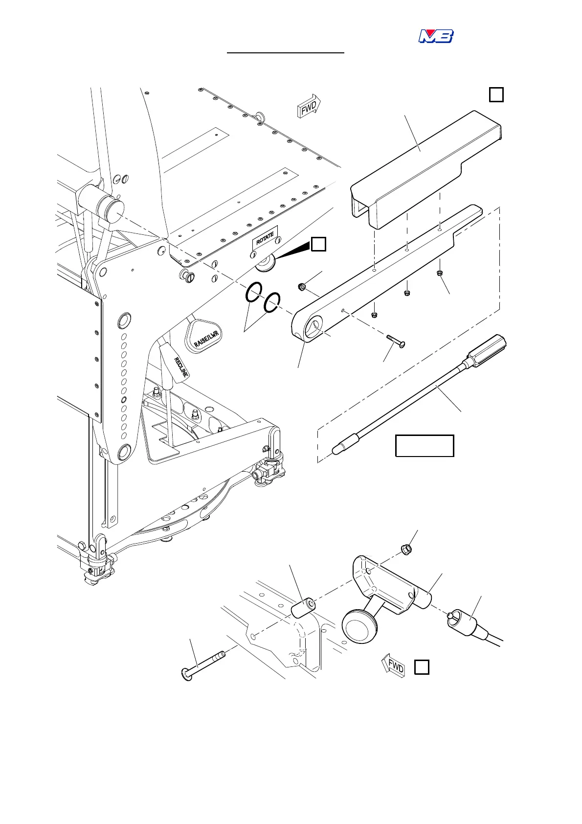
Fig. 1 Mi
ssion seat (Sheet 5 of 14)
MBI21468-01
645
655 x2
665
660 x2
650 x2
605 LH
615 RH
585
590
595
600
580
610 x3 LH
620 x3 RH
RH SHOWN
LH SIMILAR
F
G
G
ICA-680A-25-80003A
Sep 4/2020

Table of Contents