EasyManua.ls Logo

TPG CA-202A - 2 安裝與確認; 2-1 基本配備; 2-2 環境條件

Default Icon
200 pages
Print Icon
To Next Page IconTo Next Page
To Next Page IconTo Next Page
To Previous Page IconTo Previous Page
To Previous Page IconTo Previous Page
Loading...
2 安裝與確認
2 安裝與確認
2-1 基本配備
變頻器之運作,需由一些元件組合而成才能產生效用,這些元件稱為基本配備。
其包含如下:
2-1-1 電源:依照變頻器規格選定三相或是單相電源。
2-1-2 無熔絲開關:當電源開啟時,無熔絲開關可忍受突波電流,並且提供變頻
器過負載和過電流保護。
2-1-3 變頻器:馬達的控制主體;不同馬達極數或不同額定電壓之馬達,額定
流値會有差異因此選用變頻器時應以馬達額定電壓及額定電流為依據
勿只以馬達之馬力數為參考條件(請參考變頻器標準規格)
2-1-4 馬達:按照實際的需求決定馬達;請注意馬達的額定電流不可大於變頻器
電流。
註:CA變頻器為三相感應馬達專用,無法控制單相馬達。
2-2 環境條件
為了讓變頻器能安全的運作,必須注意安裝環境的情況。
條件如下:
2-2-1 電源﹕依照變頻器規格選定三相或單相電源(請參考CA標準規格)
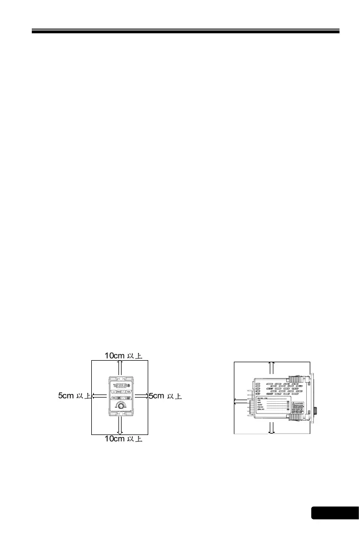
2-2-2 位置﹕變頻器運轉時基於散熱考量,機器周圍必須有足夠的通風散熱距
離,所以變頻器周圍最小距離,如下圖所示﹕
10cm以上
10cm以上
10cm
TPG Corp. http://www.tpg-tw.com
CA-202A
3
2

Table of Contents

Related product manuals