EasyManua.ls Logo

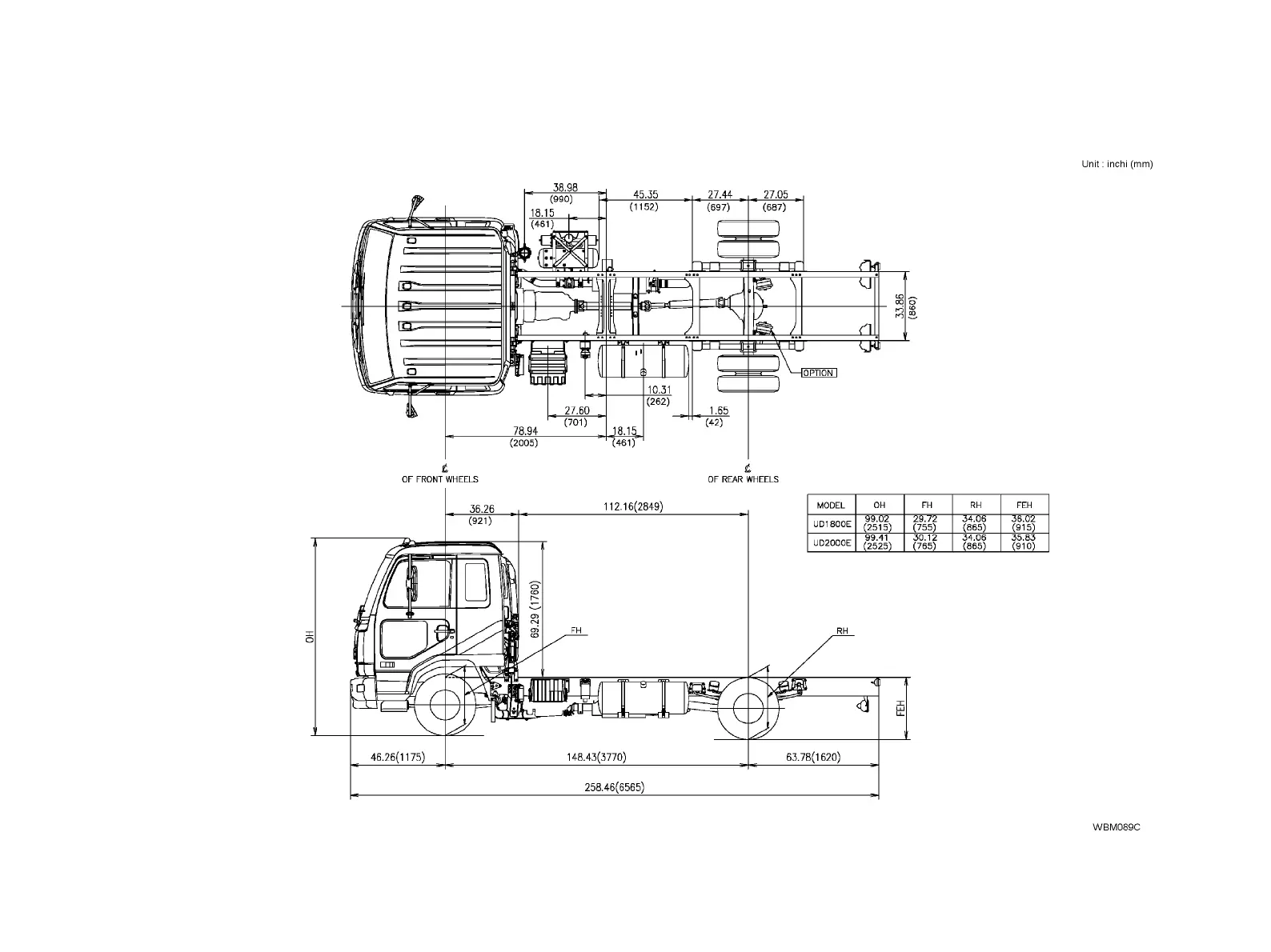
UD Trucks UD2000 - Chassis Diagram Plan and Side View

Default Icon
385 pages
Print Icon
To Next Page IconTo Next Page
To Next Page IconTo Next Page
To Previous Page IconTo Previous Page
To Previous Page IconTo Previous Page
Loading...
CHASSIS DIAGRAM PLAN AND SIDE VIEW
UD1800E, UD2000E
B14

Table of Contents

Related product manuals