EasyManua.ls Logo

UD Trucks UD2000 - Brake Power Unit and Air Reservoir Data

Default Icon
385 pages
Print Icon
To Next Page IconTo Next Page
To Next Page IconTo Next Page
To Previous Page IconTo Previous Page
To Previous Page IconTo Previous Page
Loading...
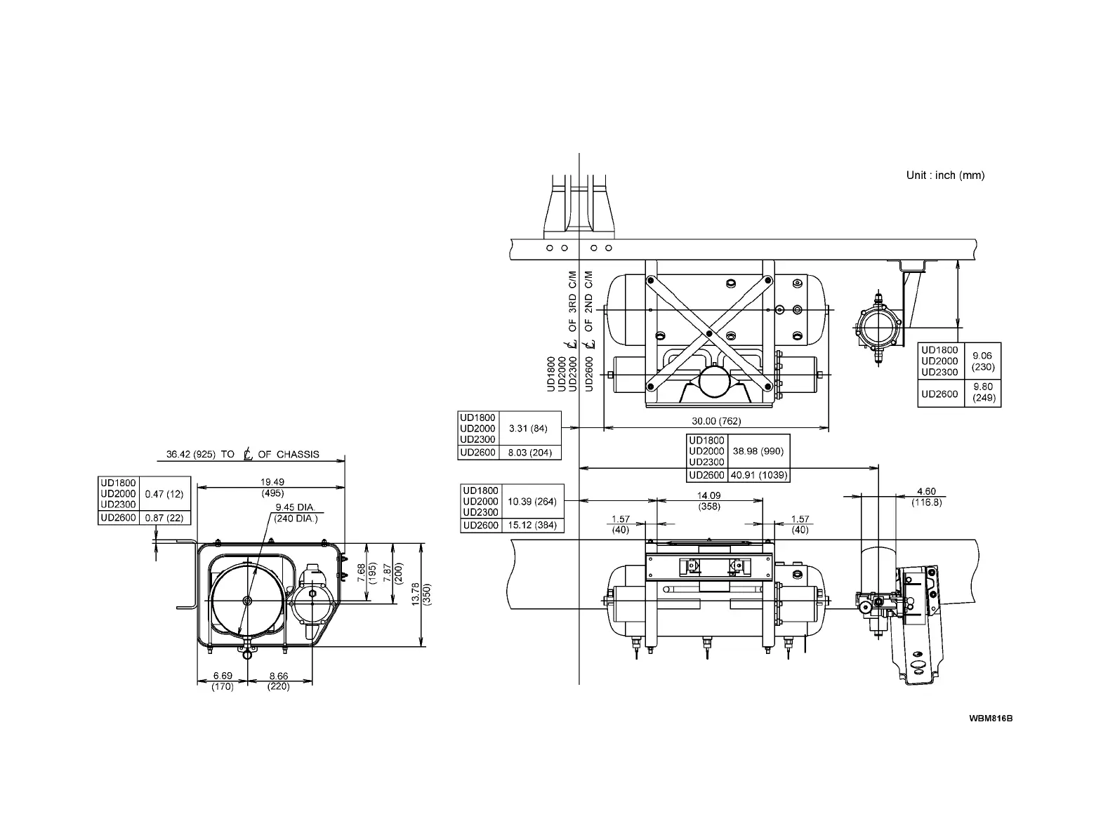
BRAKE POWER UNIT AND AIR RESERVOIR DATA
UD1800, UD2000, UD2300, UD2600
B78

Table of Contents

Related product manuals