EasyManua.ls Logo

UD Trucks UD2000 - Cab Data

Default Icon
385 pages
Print Icon
To Next Page IconTo Next Page
To Next Page IconTo Next Page
To Previous Page IconTo Previous Page
To Previous Page IconTo Previous Page
Loading...
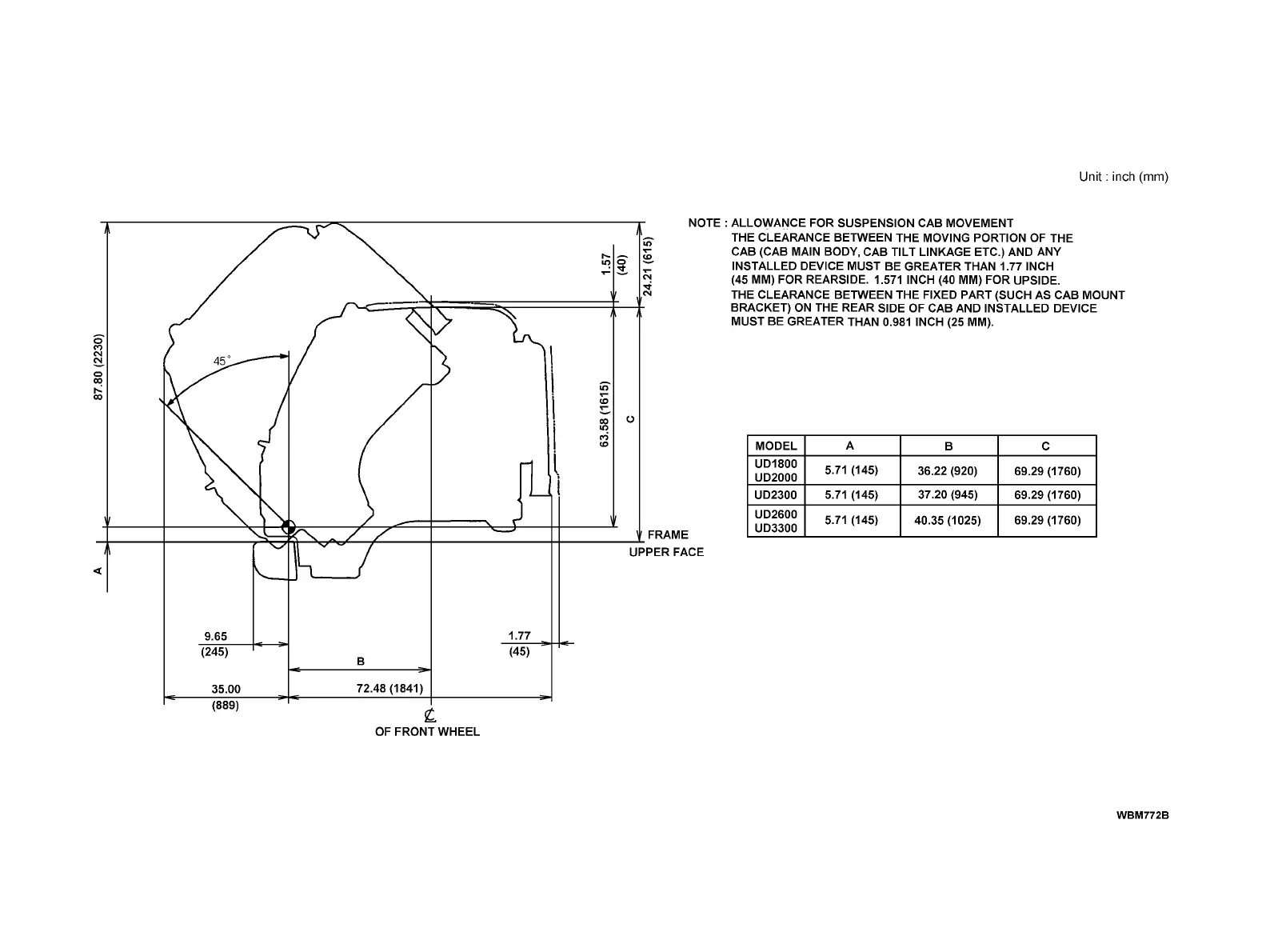
CAB DATA
UD1800, UD2000, UD2300, UD2600, UD3300
B51

Table of Contents

Related product manuals