EasyManua.ls Logo

UD Trucks UD2000 - Sub-Frame and Body Installation

Default Icon
385 pages
Print Icon
To Next Page IconTo Next Page
To Next Page IconTo Next Page
To Previous Page IconTo Previous Page
To Previous Page IconTo Previous Page
Loading...
SUB-FRAME AND BODY INSTALLATION
[SUB-FRAME]
The rear body must be mounted to the chassis frame using a sub-frame.
Mounting of the sub- frame must conform to the following:
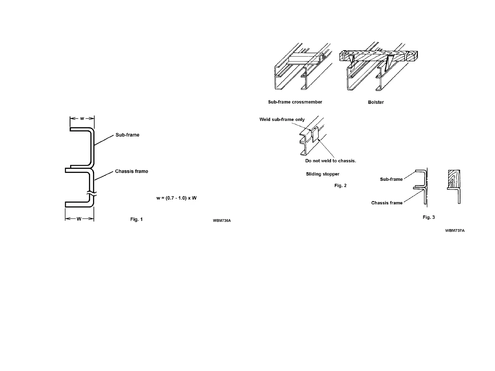
1. SUB-FRAME SHAPE AND MOUNTING
The sub-frame should from a continuous longitudinal(]). The width of the
flange should be 70 to 100% of the flange width of the chassis frame
(Fig.1)
(1) The lower sub-frame flange must be mounted flush with the upper
flange of the chassis frame. Do not mount the sub-frame at an
angle to the chassis frame. Connect the right and left sub-frame to
each other by crossmembers, bolsters, or the body proper.
Sliding stoppers should be attached to the sub-frame if necessary
(Fig.2)
(2) The sub-frame channel openings should face inward toward the
vehicle longitudinal center line.
(3) Align the channel’s web surface with that of the chassis frame (Fig.3)
C9

Table of Contents

Related product manuals