EasyManua.ls Logo

UD Trucks UD2000 - Fuel Tank Data

Default Icon
385 pages
Print Icon
To Next Page IconTo Next Page
To Next Page IconTo Next Page
To Previous Page IconTo Previous Page
To Previous Page IconTo Previous Page
Loading...
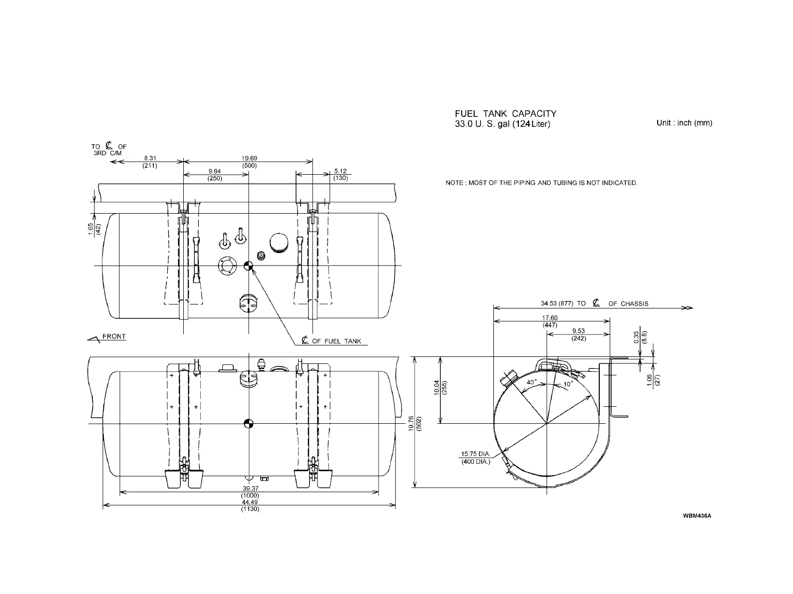
FUEL TANK DATA
UD1800, UD2000, UD2300
B90

Table of Contents

Related product manuals