EasyManua.ls Logo

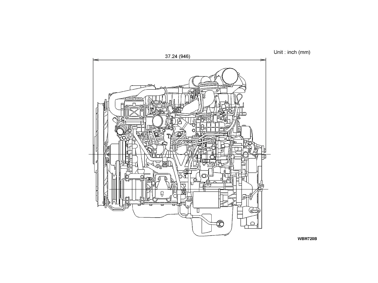
UD Trucks UD2000 - Left-Hand Side View

Default Icon
385 pages
Print Icon
To Next Page IconTo Next Page
To Next Page IconTo Next Page
To Previous Page IconTo Previous Page
To Previous Page IconTo Previous Page
Loading...
LEFT-HAND SIDE VIEW
C3

Table of Contents

Related product manuals