EasyManua.ls Logo

UD Trucks UD2000 - Page 286

Default Icon
385 pages
Print Icon
To Next Page IconTo Next Page
To Next Page IconTo Next Page
To Previous Page IconTo Previous Page
To Previous Page IconTo Previous Page
Loading...
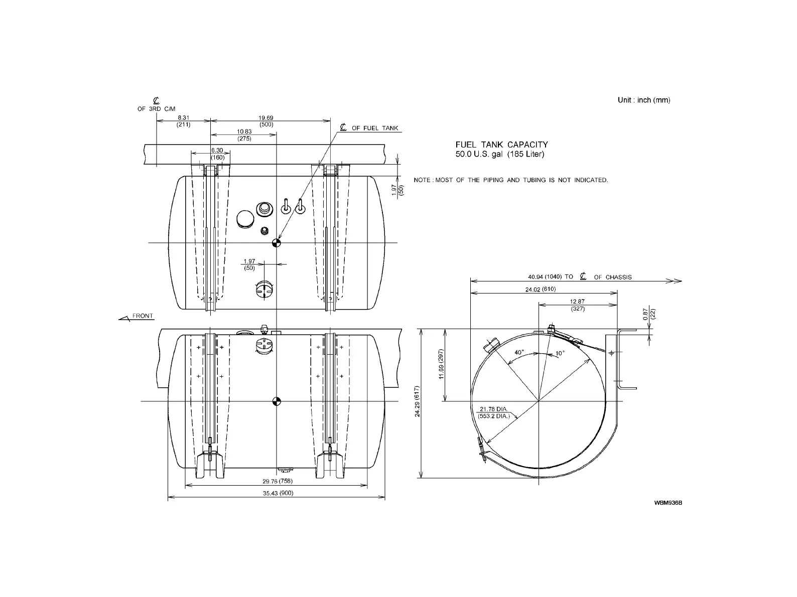
UD2300 (OPTION)
B91

Table of Contents

Related product manuals