EasyManua.ls Logo

UD Trucks UD2000 - Page 274

Default Icon
385 pages
Print Icon
To Next Page IconTo Next Page
To Next Page IconTo Next Page
To Previous Page IconTo Previous Page
To Previous Page IconTo Previous Page
Loading...
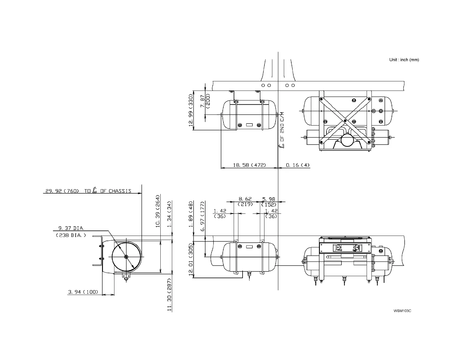
ONLY FOR UD2600 AIR SUSPENSION
(AIR RESERVOIR TANK FOR AIR SUSPENSION)
B79

Table of Contents

Related product manuals