EasyManua.ls Logo

UD Trucks UD2000 - Page 267

Default Icon
385 pages
Print Icon
To Next Page IconTo Next Page
To Next Page IconTo Next Page
To Previous Page IconTo Previous Page
To Previous Page IconTo Previous Page
Loading...
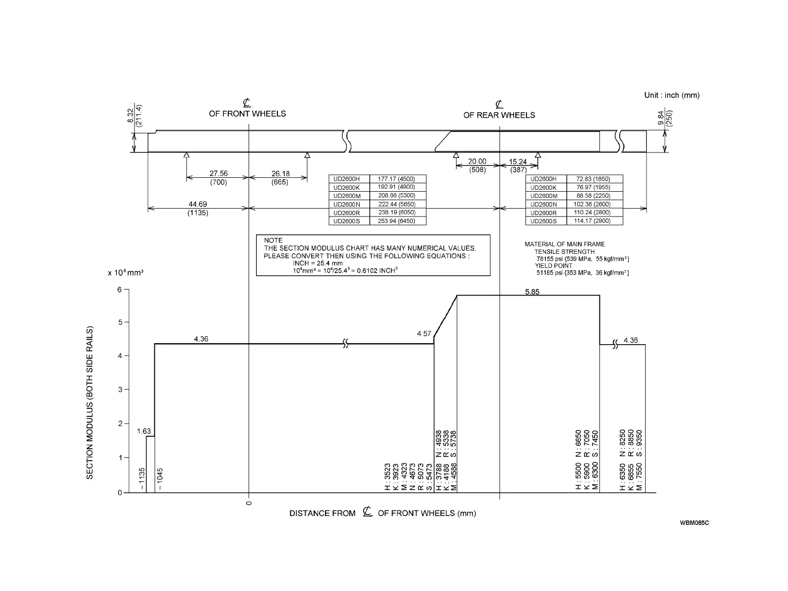
UD2600H, UD2600K, UD2600M, UD2600N, UD2600R, UD2600S (AIR SUSPENSION)
B72

Table of Contents

Related product manuals