EasyManua.ls Logo

UD Trucks UD2000 - Page 37

Default Icon
385 pages
Print Icon
To Next Page IconTo Next Page
To Next Page IconTo Next Page
To Previous Page IconTo Previous Page
To Previous Page IconTo Previous Page
Loading...
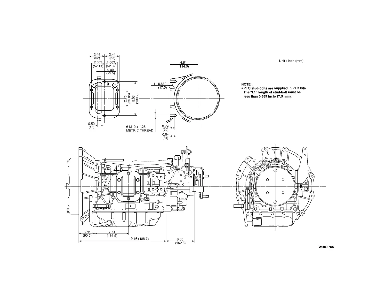
AUTOMATIC TRANSMISSION MODEL : 45043L
B26

Table of Contents

Related product manuals