EasyManua.ls Logo

Upright TL33 - Page 97

Upright TL33
97 pages
Print Icon
To Previous Page IconTo Previous Page
To Previous Page IconTo Previous Page
Loading...
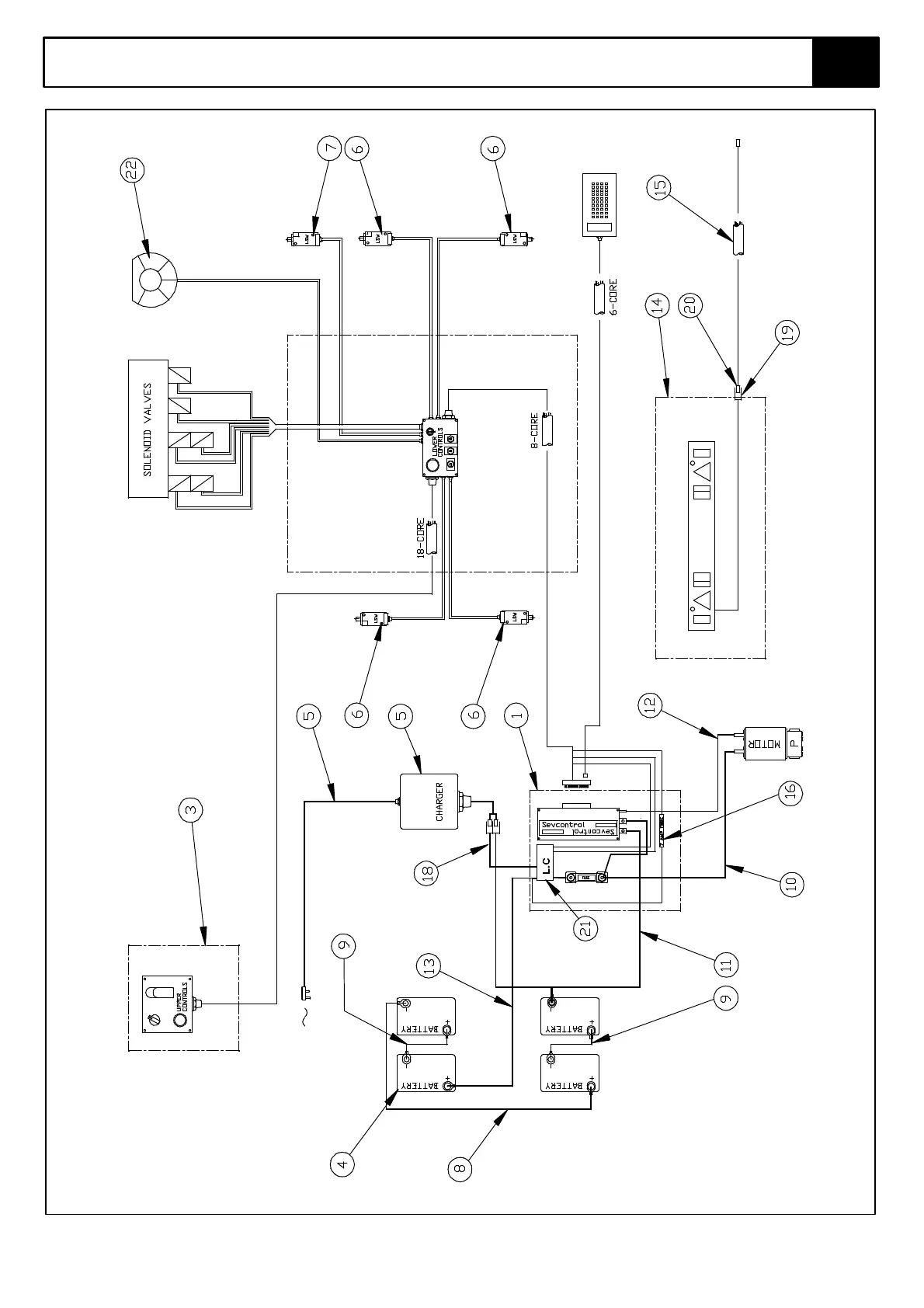
TL33 Work Platform 7-35
Illustrated Parts Breakdown
Section
7.2

Table of Contents

Related product manuals