EasyManua.ls Logo

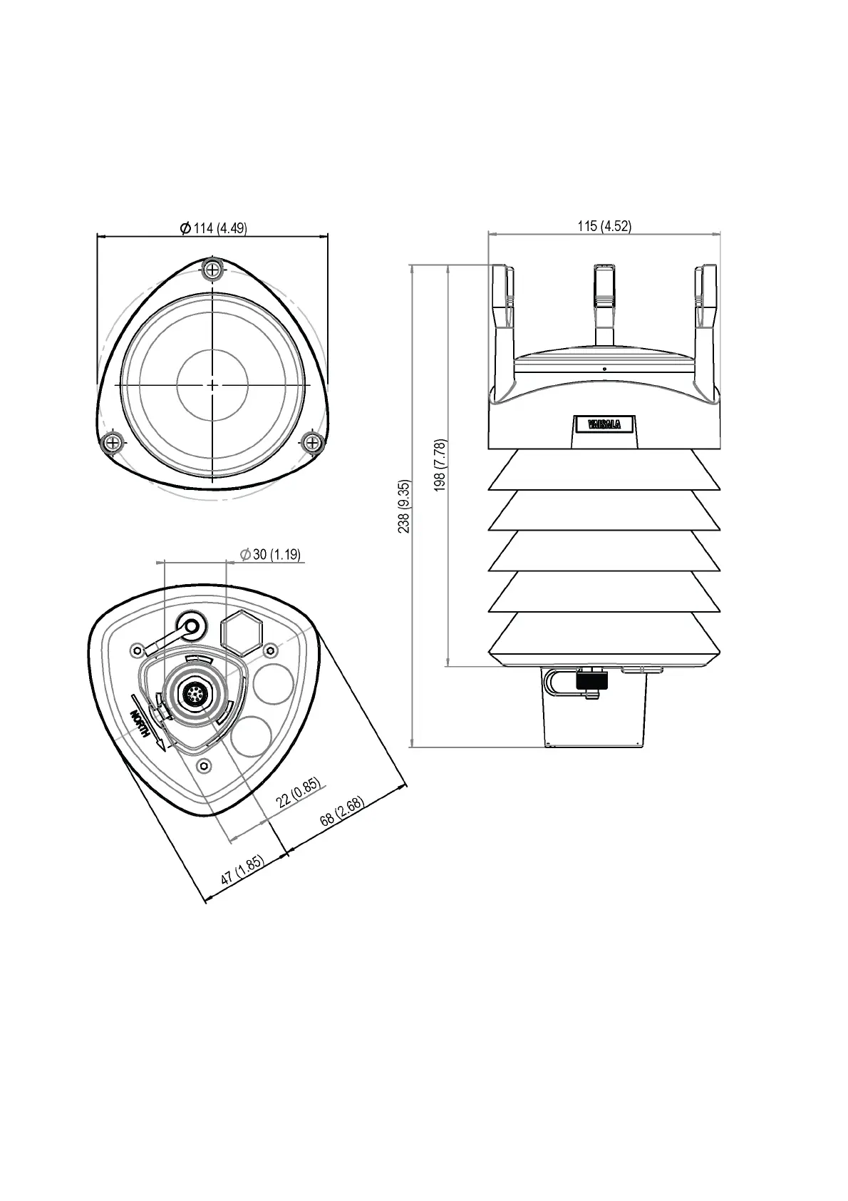
Vaisala WXT532 - Dimensions (MM;Inch); Figure 41 WXT536 Dimensions

Vaisala WXT532
235 pages
Print Icon
To Next Page IconTo Next Page
To Next Page IconTo Next Page
To Previous Page IconTo Previous Page
To Previous Page IconTo Previous Page
Loading...
User’s Guide ______________________________________________________________________
182 _________________________________________________________________ M211840EN-C
Dimensions (mm/inch)
1509-019
Figure 41 WXT536 Dimensions

Table of Contents

Related product manuals