EasyManua.ls Logo

VAMP 265 - 7. Applications; 7.1. Restricted Earth Fault Protection

VAMP 265
220 pages
Print Icon
To Next Page IconTo Next Page
To Next Page IconTo Next Page
To Previous Page IconTo Previous Page
To Previous Page IconTo Previous Page
Loading...
Technical description
7 Applications
7.1 Restricted earth fault protection
VM265.EN011
153
7. Applications
7.1. Restricted earth fault protection
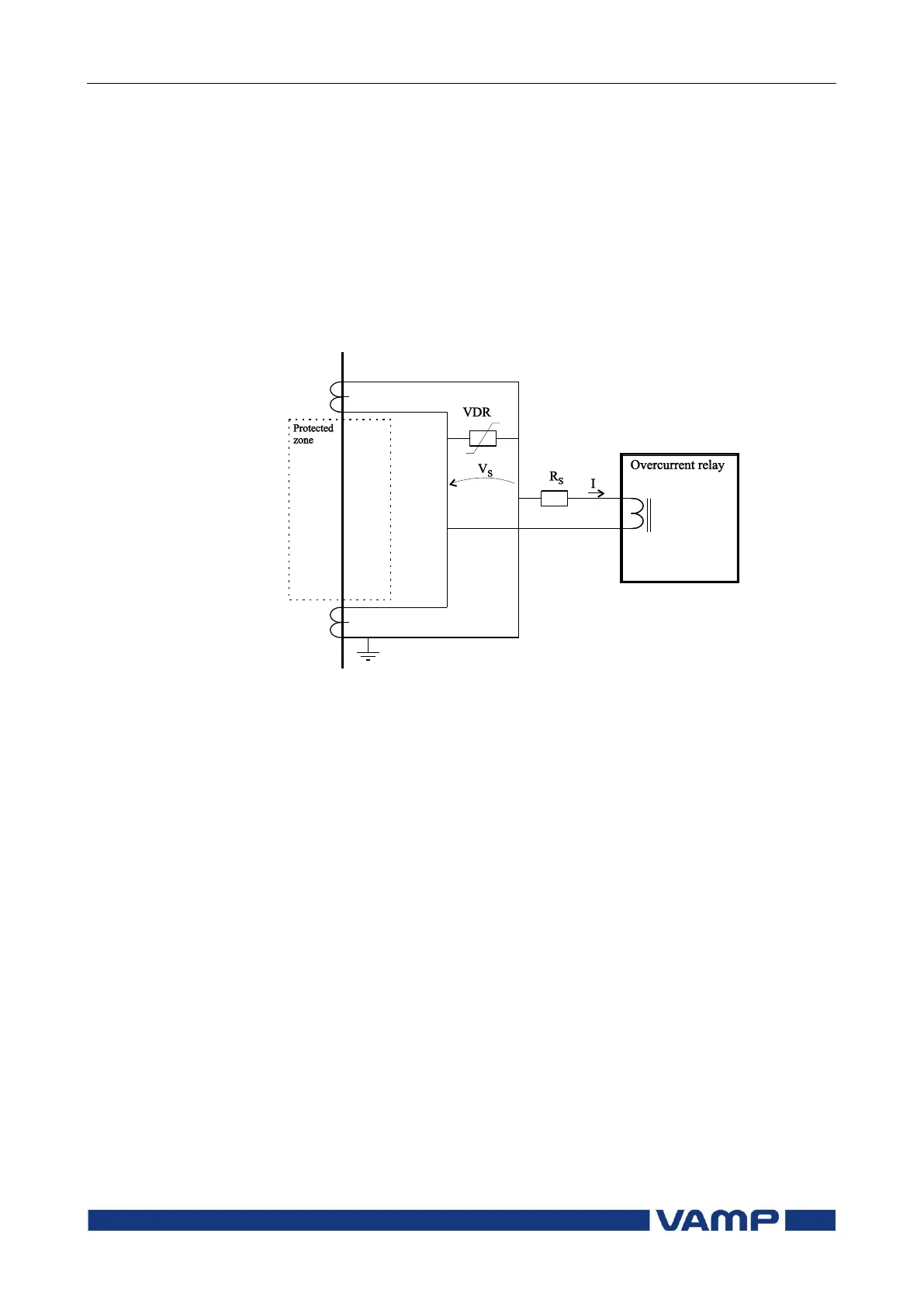
Restricted earth fault (REF) protection is a sensitive way to
protect a zone between two measuring points against earth
faults. See Figure 7.1-1.
Figure 7.1-1 Principle of restricted earth fault protection. The CT
secondaries are wired to cancel each other's currents during through faults
and to drive all to the relay when the fault is inside the protected zone.
(Saturation of the CTs makes the situation a little more complicated than
that.) The stabilizing resistor R
S
guarantees that the relay will not trip
during a through fault. The VDR is used to protect the CTs and the wiring
by limiting the voltage V
S
during heavy inside faults.
When there is a fault outside the protected zone the CT
secondaries will cancel each other's currents. This is partly
true even if both or only one of the CTs saturates, because the
impedance of a saturated CT secondary will collapse to near
zero. The non-zero wiring impedance and CT impedance will
however cause a voltage V
S
, but the resistor R
S
will prevent the
relay from tripping. RS is called the stabilizing resistor.
During an inside fault the secondary currents of the two CTs
have no other way to go than the relay. The relay will trip
when the current I = V
S
/R
S
exceeds the setting I
S
of the relay.
The voltage dependent resistor (VDR, varistor, METROSIL) is
used to protect the CTs and wiring by limiting the voltage V
S
during heavy inside faults.
The resistance of the secondary loop connecting the CTs
together should be as low as possible.

Table of Contents

Related product manuals