EasyManua.ls Logo

VAMP 265 - Protection of Generator and Block Transformer

VAMP 265
220 pages
Print Icon
To Next Page IconTo Next Page
To Next Page IconTo Next Page
To Previous Page IconTo Previous Page
To Previous Page IconTo Previous Page
Loading...
7.7 Protection of generator and
block transformer
7 Applications
Technical description
168
VAMP 24h support phone +358 (0)20 753 3264
VM265.EN011
7.7. Protection of generator and block
transformer
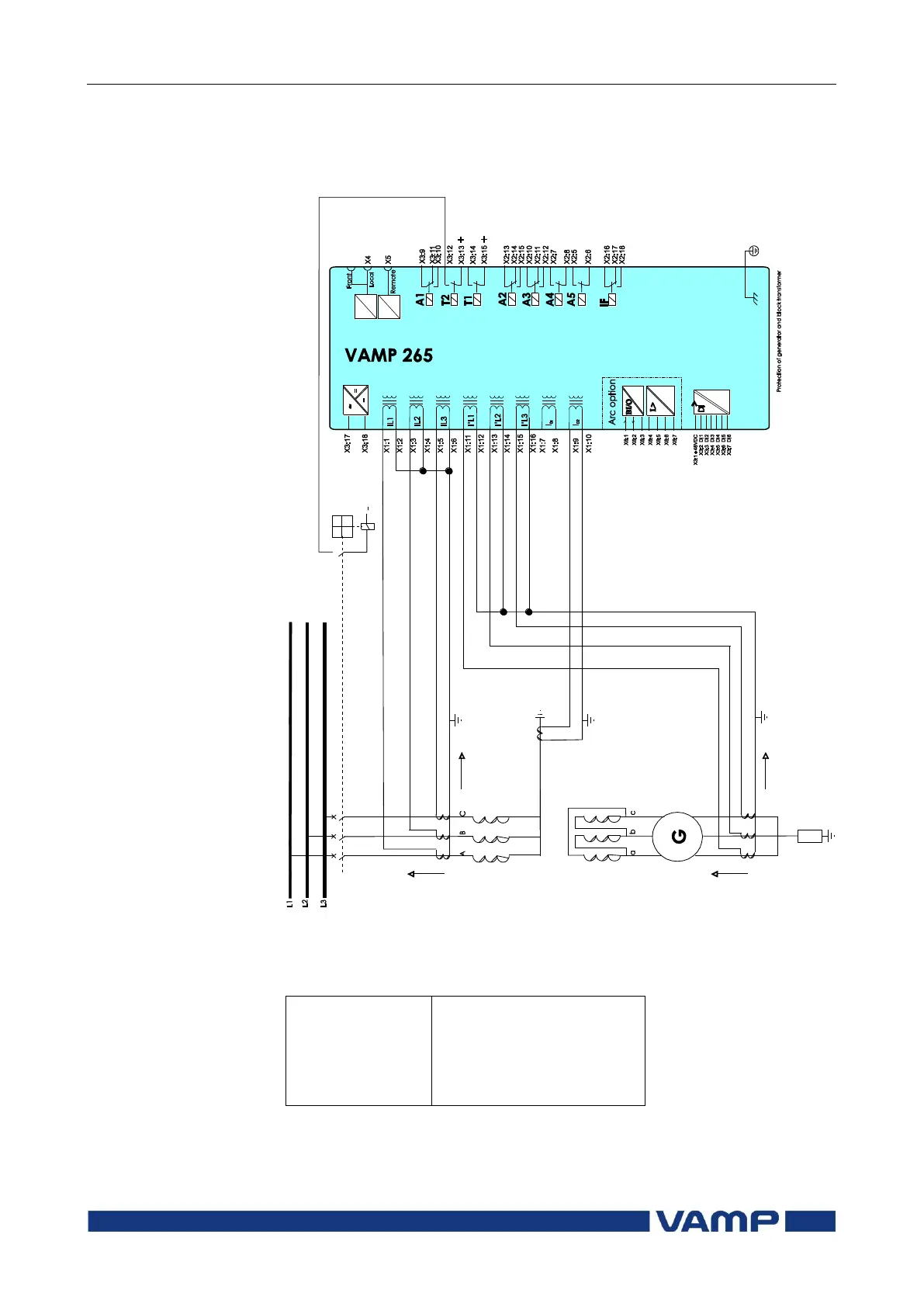
Figure 7.7-1 Differential protection of a YNd11 transformer and generator
using VAMP 265.
Settings:
ConnGrp
Yd11
IoCmps
ON
I‟oCmps
OFF
Un
High side voltage
U‟n
Low side voltage

Table of Contents

Related product manuals