EasyManua.ls Logo

VAMP 265 - Protection of a Ynd11 Transformer

VAMP 265
220 pages
Print Icon
To Next Page IconTo Next Page
To Next Page IconTo Next Page
To Previous Page IconTo Previous Page
To Previous Page IconTo Previous Page
Loading...
Technical description
7 Applications
7.6 Protection of a YNd11
transformer
VM265.EN011
167
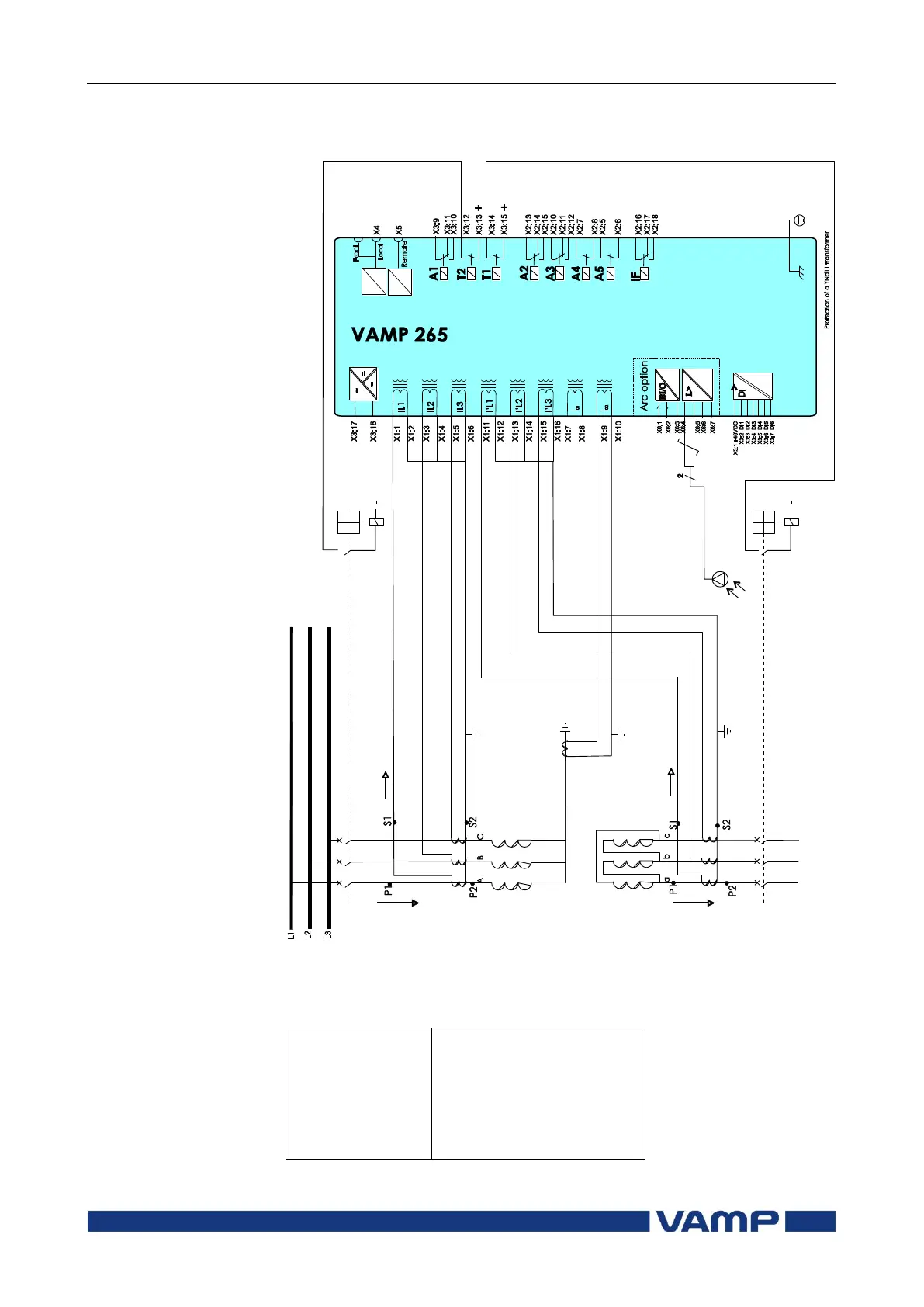
7.6. Protection of a YNd11 transformer
Figure 7.6-1 Differential protection of a YNd11 transformer using VAMP
265.
Settings:
ConnGrp
Yd11
IoCmps
ON
I‟oCmps
OFF
Un
High side voltage
U‟n
Low side voltage

Table of Contents

Related product manuals