EasyManua.ls Logo

VAMP 265 - Protection of a Dyn11 Transformer

VAMP 265
220 pages
Print Icon
To Next Page IconTo Next Page
To Next Page IconTo Next Page
To Previous Page IconTo Previous Page
To Previous Page IconTo Previous Page
Loading...
Technical description
7 Applications
7.5 Protection of a Dyn11
transformer
VM265.EN011
165
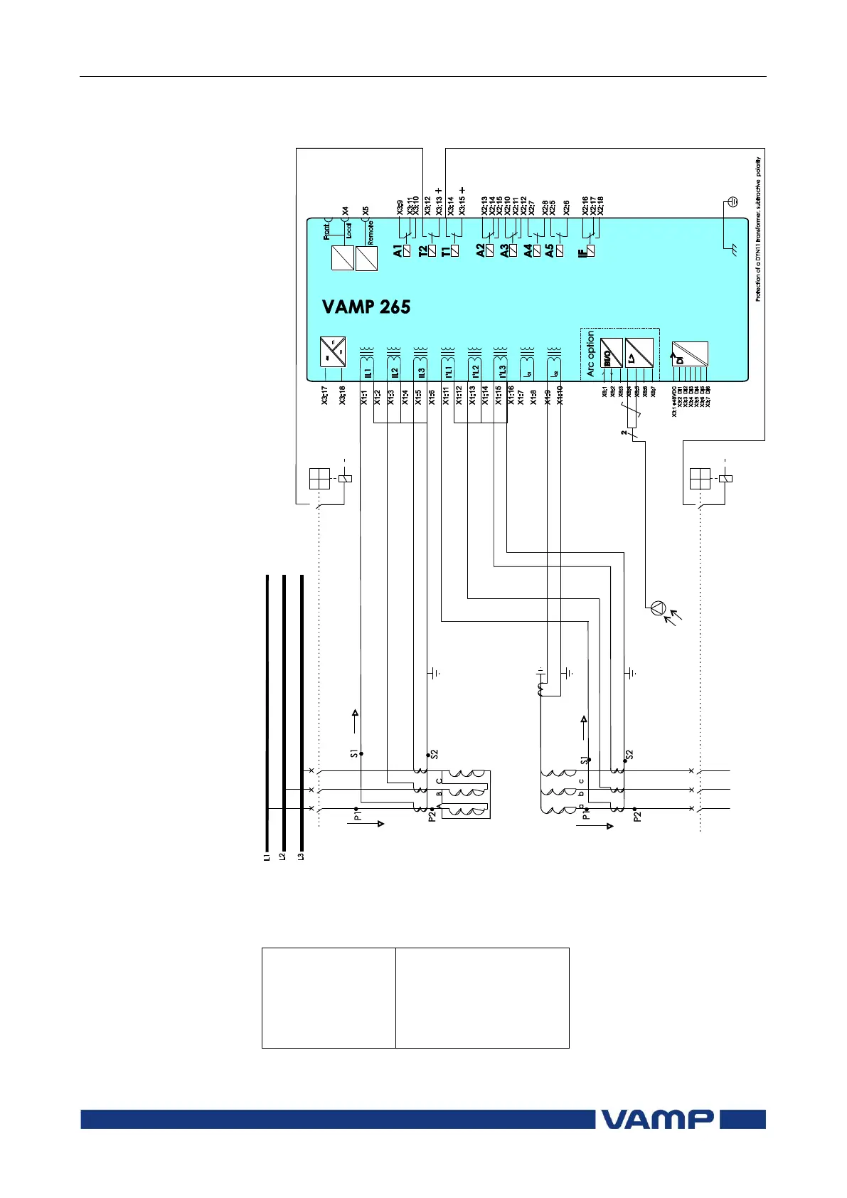
7.5. Protection of a Dyn11 transformer
Figure 7.5-1 Differential protection of a Dyn11 transformer
using VAMP 265. Primary and secondary current transformers
are connected according to subtractive polarity.
Settings:
ConnGrp
Dy11
IoCmps
OFF
I‟oCmps
ON
Un
High side voltage
U‟n
Low side voltage

Table of Contents

Related product manuals