EasyManua.ls Logo

VAMP 265 - Connection Examples

VAMP 265
220 pages
Print Icon
To Next Page IconTo Next Page
To Next Page IconTo Next Page
To Previous Page IconTo Previous Page
To Previous Page IconTo Previous Page
Loading...
8.9 Connection examples
8 Connections
Technical description
202
VAMP 24h support phone +358 (0)20 753 3264
VM265.EN011
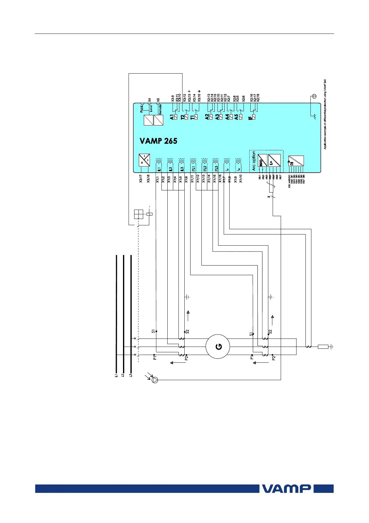
8.9. Connection examples
Figure 8.9-1 Connection example of VAMP 265.

Table of Contents

Related product manuals