EasyManua.ls Logo

VAMP 265 - Application Example of Differential Protection Using; Vamp 265

VAMP 265
220 pages
Print Icon
To Next Page IconTo Next Page
To Next Page IconTo Next Page
To Previous Page IconTo Previous Page
To Previous Page IconTo Previous Page
Loading...
Technical description
7 Applications
7.8 Application example of
differential protection using VAMP
265
VM265.EN011
169
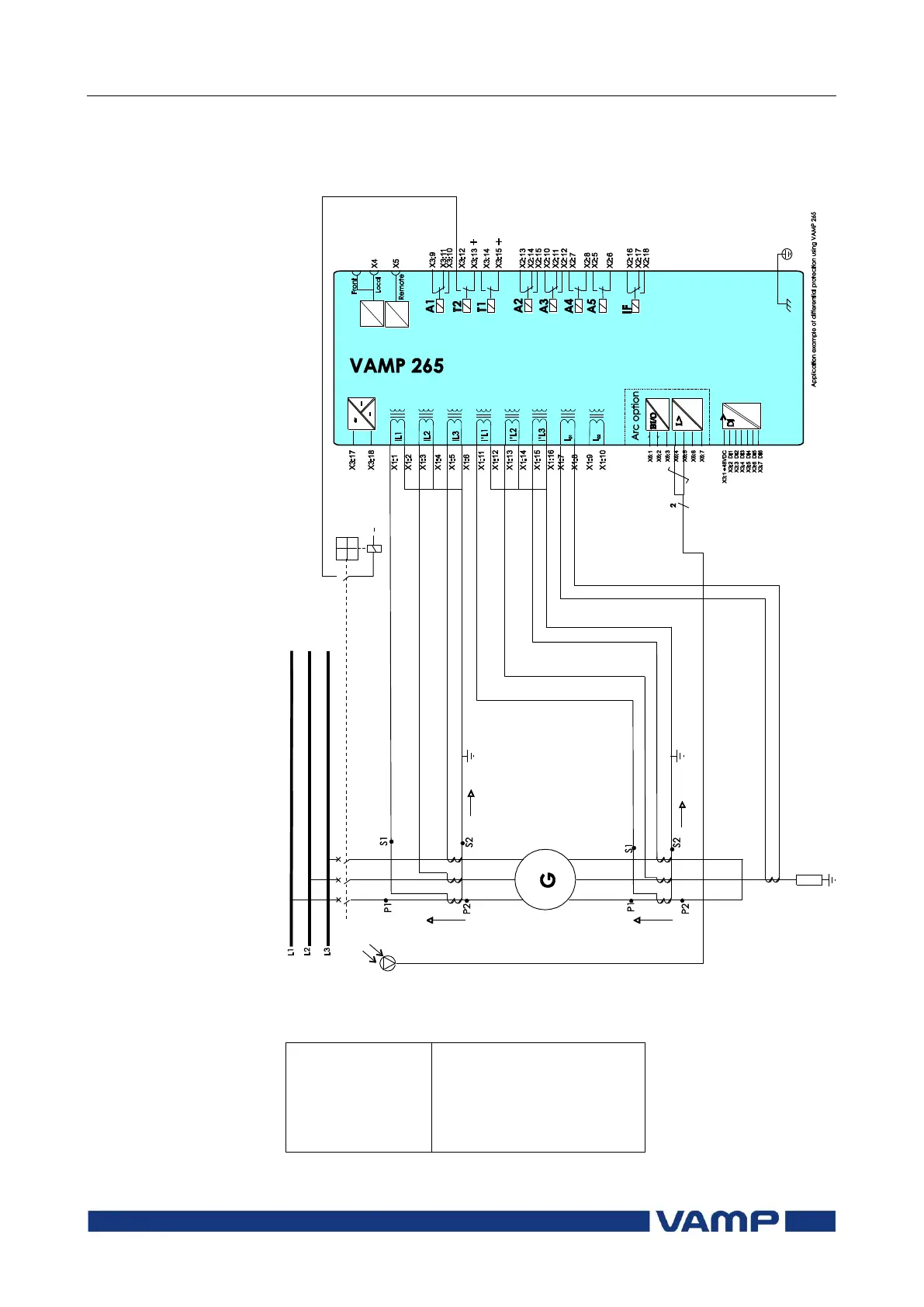
7.8. Application example of differential
protection using VAMP 265
Figure 7.8-1 Differential protection of a generator using VAMP 265.
Settings:
ConnGrp
Yy0
IoCmps
OFF
I‟oCmps
OFF
Un
Generator nominal voltage
U‟n
Generator nominal voltage

Table of Contents

Related product manuals