EasyManua.ls Logo

VAMP 265 - Page 166

VAMP 265
220 pages
Print Icon
To Next Page IconTo Next Page
To Next Page IconTo Next Page
To Previous Page IconTo Previous Page
To Previous Page IconTo Previous Page
Loading...
7.5 Protection of a Dyn11
transformer
7 Applications
Technical description
166
VAMP 24h support phone +358 (0)20 753 3264
VM265.EN011
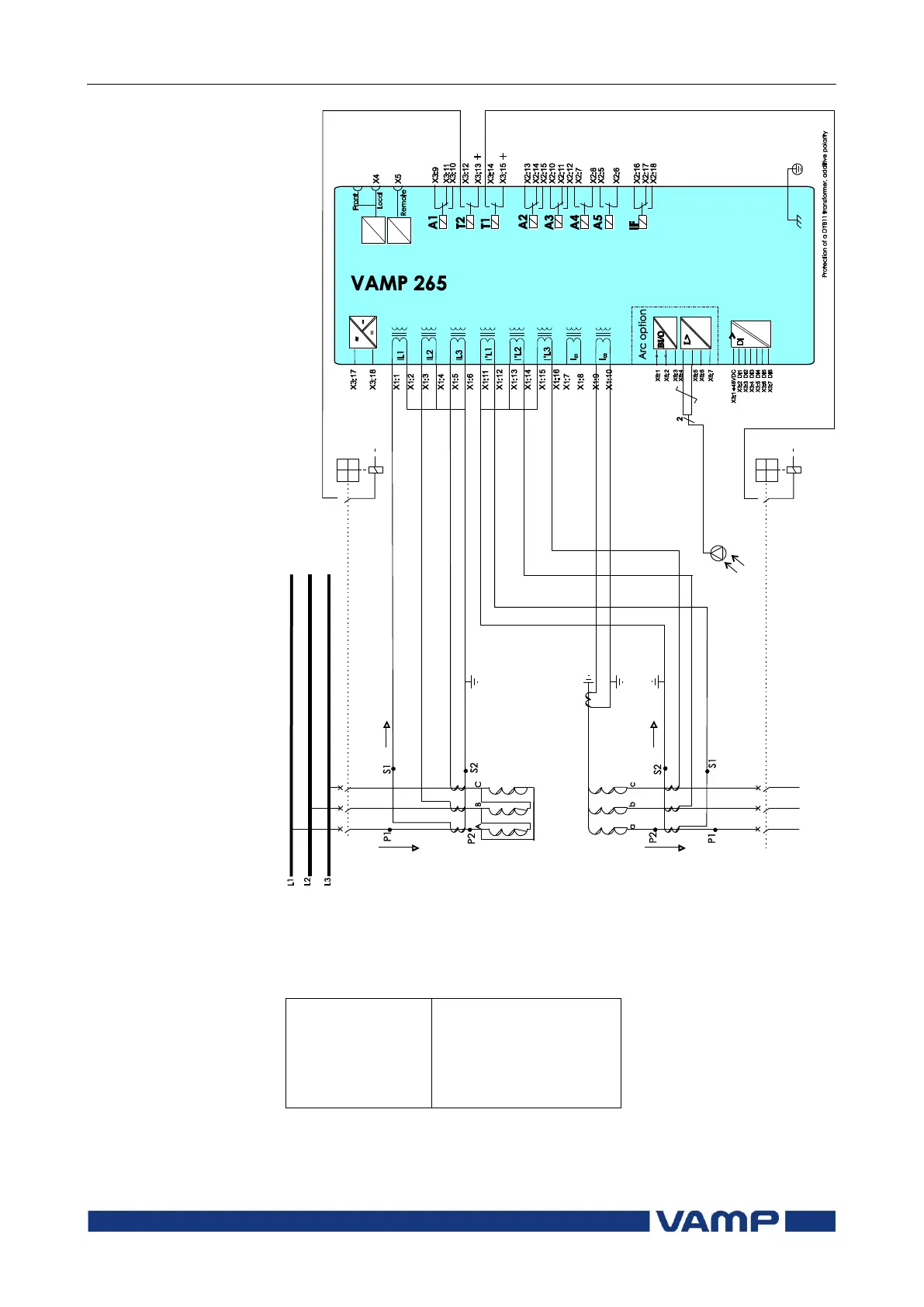
Figure 7.5-2 Differential protection of a Dyn11 transformer using VAMP
265. Primary and secondary current transformers are connected according
to additive polarity.
Settings:
ConnGrp
Dy11
IoCmps
OFF
I‟oCmps
ON
Un
High side voltage
U‟n
Low side voltage

Table of Contents

Related product manuals