EasyManua.ls Logo

VAMP 265 - Page 179

VAMP 265
220 pages
Print Icon
To Next Page IconTo Next Page
To Next Page IconTo Next Page
To Previous Page IconTo Previous Page
To Previous Page IconTo Previous Page
Loading...
Technical description
7 Applications
7.9 Trip Circuit Supervision
VM265.EN011
179
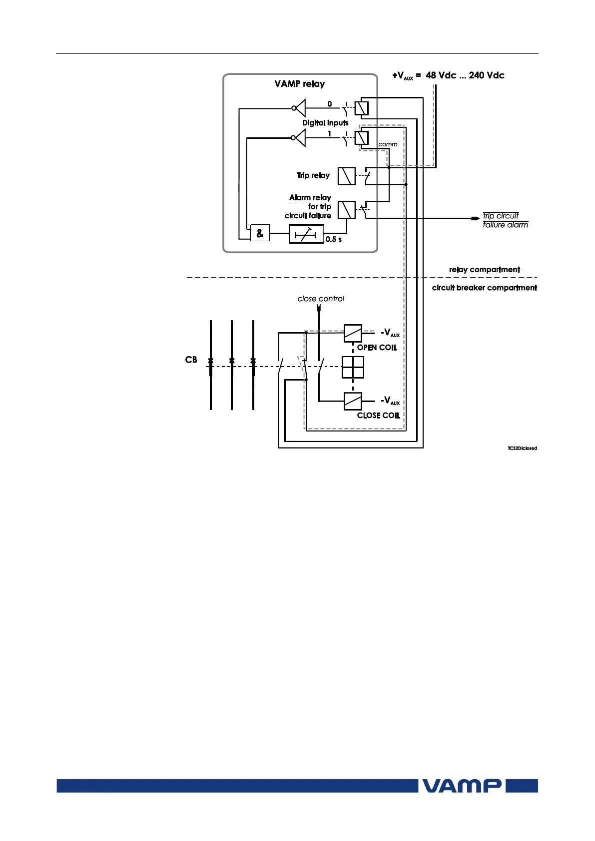
Figure 7.9.2-1 Trip circuit supervision with two dry digital inputs. The CB is
closed. The supervised circuitry in this CB position is double-lined. The
digital input is in active state when the trip circuit is complete. This is
applicable for dry inputs DI7...D20 only.

Table of Contents

Related product manuals