EasyManua.ls Logo

Weiler E1650 - Schematics; Electrical Schematic

Weiler E1650
174 pages
Print Icon
To Next Page IconTo Next Page
To Next Page IconTo Next Page
To Previous Page IconTo Previous Page
To Previous Page IconTo Previous Page
Loading...
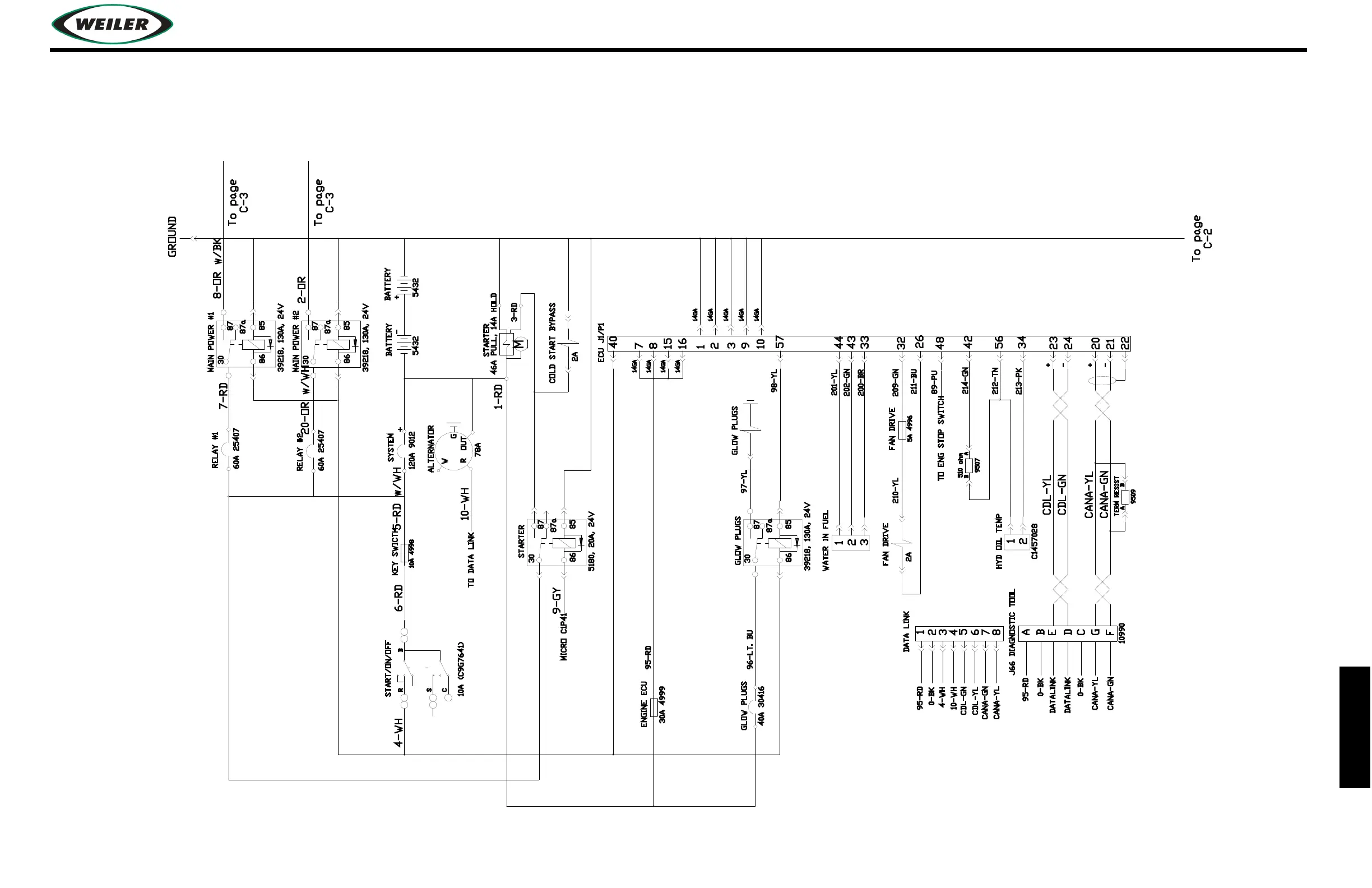
Schematics
C
WEILER E1650 REMIXING TRANSFER VEHICLE
C-1
Schematics
APPENDIX C: SCHEMATICS
ELECTRICAL SCHEMATIC

Related product manuals