EasyManua.ls Logo

Weiler E1650 - Page 163

Weiler E1650
174 pages
Print Icon
To Next Page IconTo Next Page
To Next Page IconTo Next Page
To Previous Page IconTo Previous Page
To Previous Page IconTo Previous Page
Loading...
Schematics
C
WEILER E1650 REMIXING TRANSFER VEHICLE
C-11
Schematics
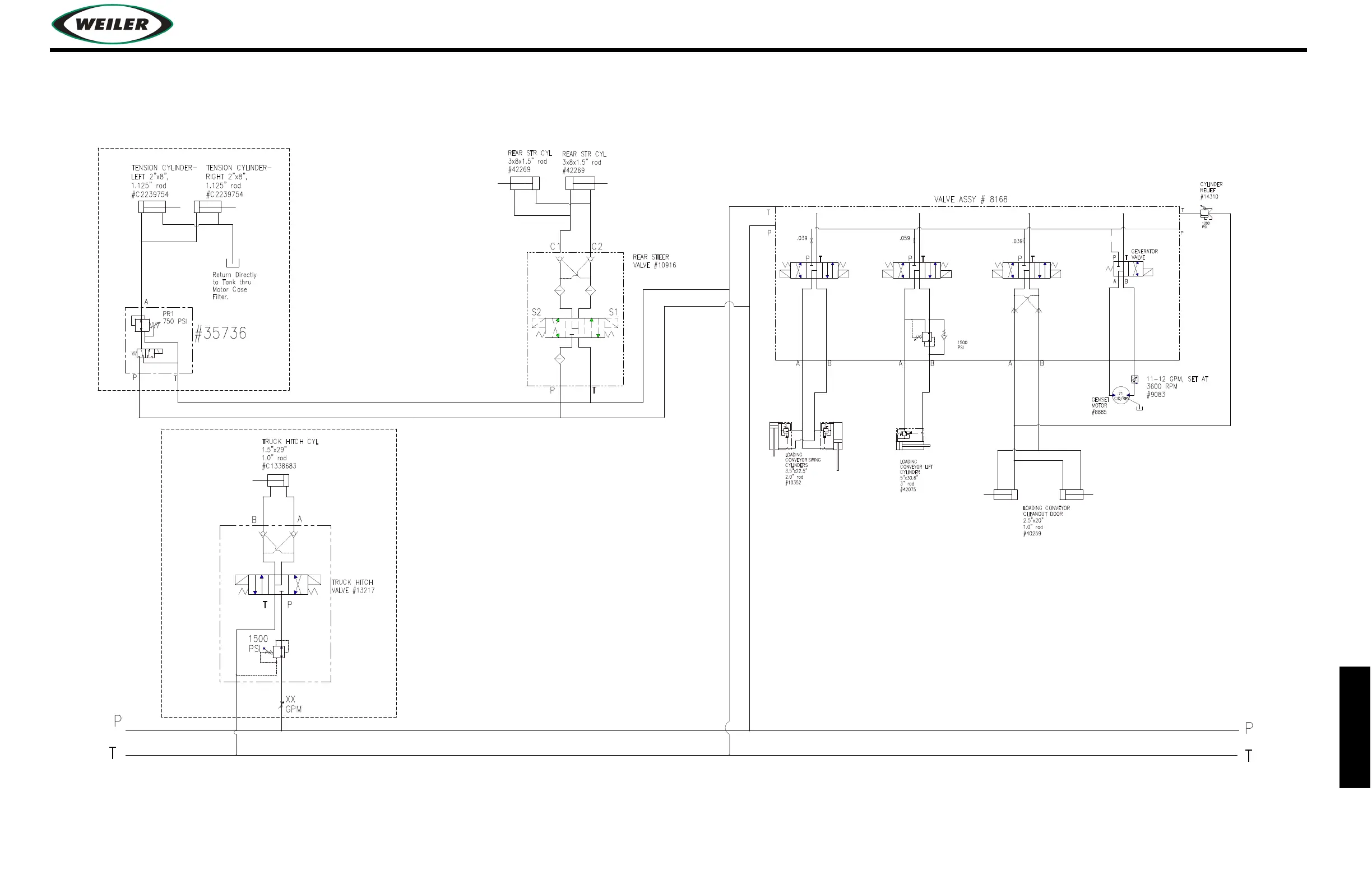
HYDRAULIC SCHEMATIC
P
T
P
T
REAR STR CYL
3x8x1.5" rod
#42269
REAR STR CYL
3x8x1.5" rod
#42269
VALVE ASSY # 8168
LOADING
CONVEYOR SWING
CYLINDERS
3.5"x22.5"
2.0" rod
#10352
LOADING
CONVEYOR LIFT
CYLINDER
5"x30.6"
3" rod
#42075
BA
P
.039
TP
T
BA
1500
PSI
.059
P T
GENSET
MOTOR
#8885
LOADING CONVEYOR
CLEANOUT DOOR
2.5"x20"
1.0" rod
#40259
11-12 GPM, SET AT
3600 RPM
#9083
.71
CID/REV
A B
.039
TP
A B
GENERATOR
VALVE
P T
P
1200
PSI
CYLINDER
RELIEF
#14310
T
1500
PSI
XX
GPM
TRUCK HITCH
VALVE #13217
PT
B
TRUCK HITCH CYL
1.5"x29"
1.0" rod
#C1338683
A
Return Directly
to Tank thru
Motor Case
Filter.
PR1
750 PSI
P
T
#35736
A
TENSION CYLINDER-
RIGHT 2"x8",
1.125" rod
#C2239754
TENSION CYLINDER-
LEFT 2"x8",
1.125" rod
#C2239754
REAR STEER
VALVE #10916
TP
C2
S2
C1
S1

Related product manuals