EasyManua.ls Logo

Wittenstein cyber motor simco SIM2002D - Connection Diagram IP65

Default Icon
51 pages
Print Icon
To Next Page IconTo Next Page
To Next Page IconTo Next Page
To Previous Page IconTo Previous Page
To Previous Page IconTo Previous Page
Loading...
Operation Manual simco
®
drive
en-18 4022-D033499 Revision: 11a
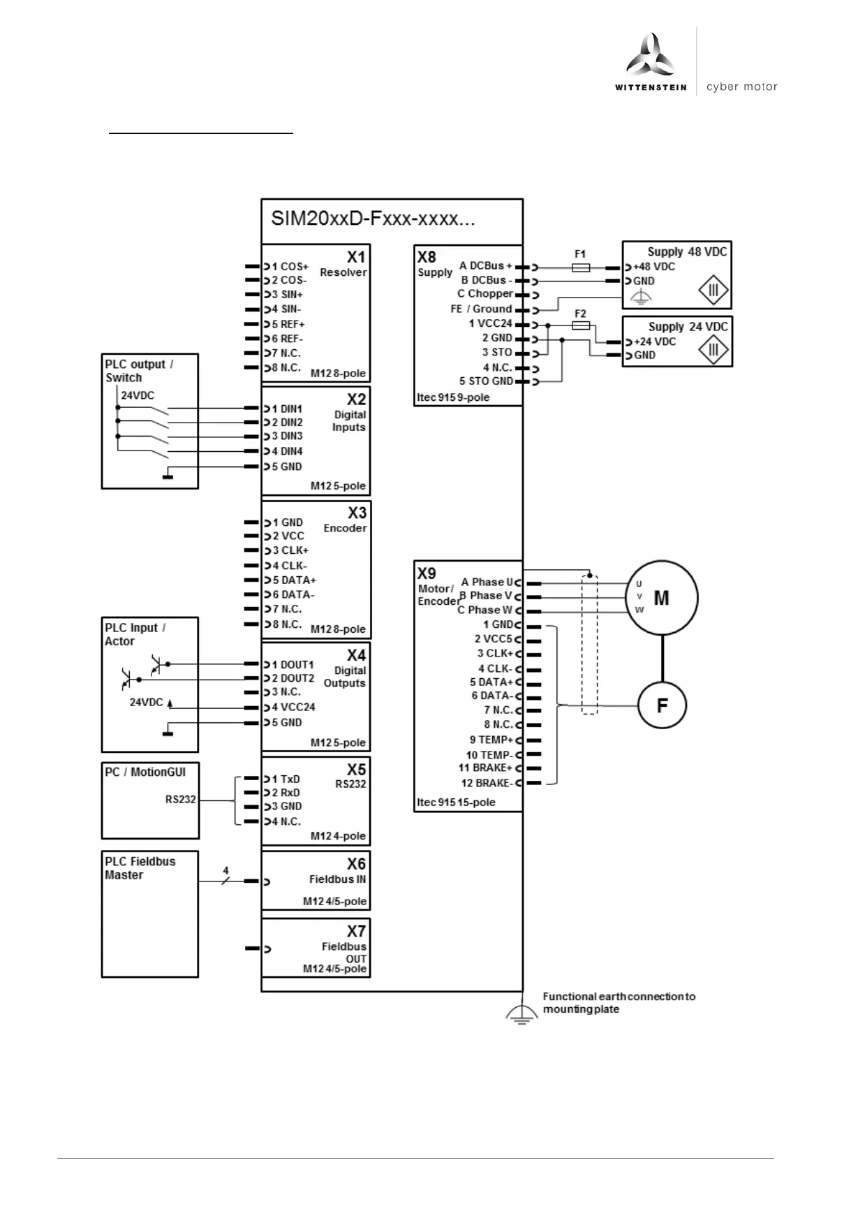
6.3.2 Connection diagram IP65
The following illustration shows the principal connection diagram of the drive amplifier:

Table of Contents