EasyManua.ls Logo

Yamaha F25A - Page 282

Yamaha F25A
444 pages
Print Icon
To Next Page IconTo Next Page
To Next Page IconTo Next Page
To Previous Page IconTo Previous Page
To Previous Page IconTo Previous Page
Loading...
7-3
E
BRKT
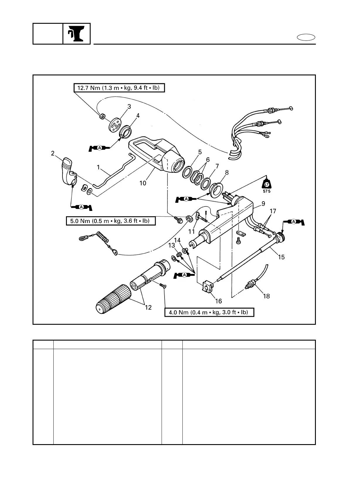
STEERING HANDLE
EXPLODED DIAGRAM
Step Procedure/Part name Q’ty Service points
10 Steering bracket 1
11 Friction piece 1
12 Steering grip 1
13 Spring 1
14 Bushing 1
15 Throttle shaft 1
16 Friction piece 1
17 Throttle cable 2
18 Engine stop switch 1
Reverse the disassembly steps for instal-
lation.

Table of Contents