EasyManua.ls Logo

Yamaha FT50C - Installing the Camshaft; Installing the Rocker Arm Assembly

Yamaha FT50C
267 pages
Print Icon
To Next Page IconTo Next Page
To Next Page IconTo Next Page
To Previous Page IconTo Previous Page
To Previous Page IconTo Previous Page
Loading...
POWR
Power unit
5-33
62Y5A11
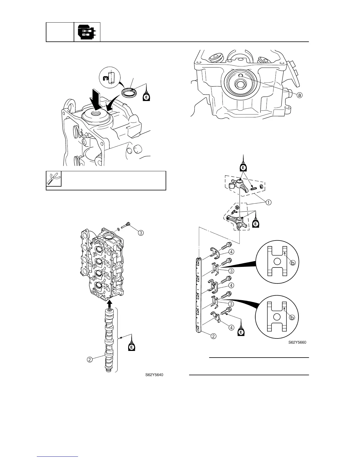
Installing the camshaft
1. Install the new oil seal
1
.
2. Install the camshaft
2
in the direction
shown, then the retaining bolt
3
.
Installing the rocker arm assembly
1. Check that the camshaft dowel pin hole
a
is in the position shown in the illustra-
tion. Adjust if necessary.
2. Assembly the rocker arm
1
and rocker
arm shaft
2
, and the tensioner
3
, rocker
arm retainer
4
by installing the bolts.
NOTE:
Make sure that the arrow marks
b
on the two
tensioners are facing up.
Bearing outer race attachment:
90890-06626
S62Y5630J
1
S62Y5650

Table of Contents